
#第六届立创电赛#二合一迷你功放
简介
二合一迷你功放 集成数字功放和耳机放大器 数字音量与均衡器控制 二路音频输入选择 PD,QC,或DC口供电 12V 使用HK32F030M MCU OLED屏
简介:二合一迷你功放 集成数字功放和耳机放大器 数字音量与均衡器控制 二路音频输入选择 PD,QC,或DC口供电 12V 使用HK32F030M MCU OLED屏开源协议
:GPL 3.0
描述
1、项目功能介绍
二合一迷你功放,使用PD或DC口供电 12V-24V。
集成D类功放和耳机放大器,数字音量与均衡器控制。
二路音频输入选择,耳机输出,功放输出选择。
使用HK32F030M,PT7313,TPA6138,TPA3116。
2、项目属性
首次公开,原创。
3、开源协议
GPL 3.0
4、硬件部分
PCB使用4层板制作,体积尽可能小,干扰小,噪音低。
外壳使用铝型材外壳,前后面板均为PCB板制作。
散热使用导热硅胶片填充PCB底面与铝外壳散热。
1)电源输入,电源12V-24V供电,也可以使用PD,或QC 适配器供电,CH224K PD会诱骗至20V,也可以用12V的QC适配器。

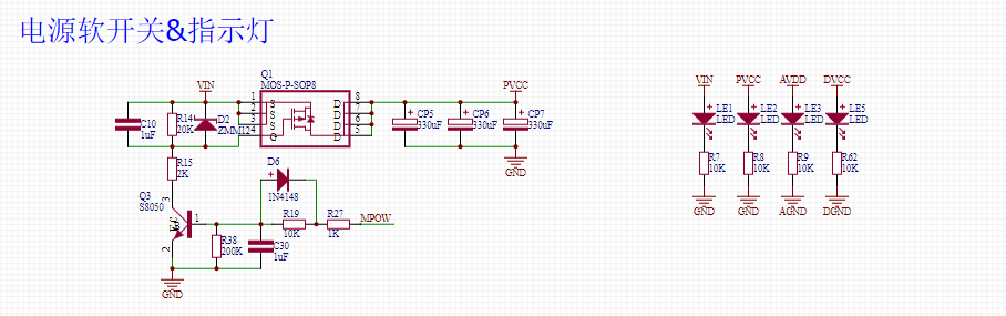
2)使用PMOS作为功放与耳放的电源开关,由单片机控制。

3)使用HK32F030MF4P6,低成本,小体积,单片机。OLED显示器屏(SSD1306),波轮开关(LC商城编号C318951)方便显 示控制。
同时采集了输入电压,温度。(欠压保护,过热保护)。
SW1为软开关,单片机控制,方便控制后端电源。

3) PT7313采用I2C与MCU通讯。
可以控制音频输入通道的选择(这里使用了二个输入通道),二路音频输出一路至耳放,一路至功放。
同时MCU通过PT7313控制音量,高音,低音,平衡与增益。

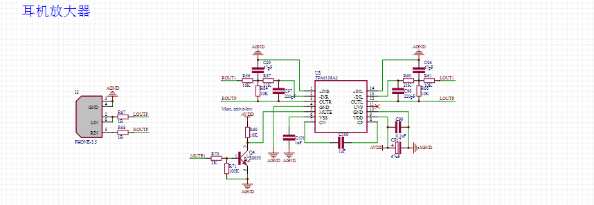
4)耳机放大器使用TPA6138,R56,R57,R60,R61来控制增益, 低失真,免去输出电容。

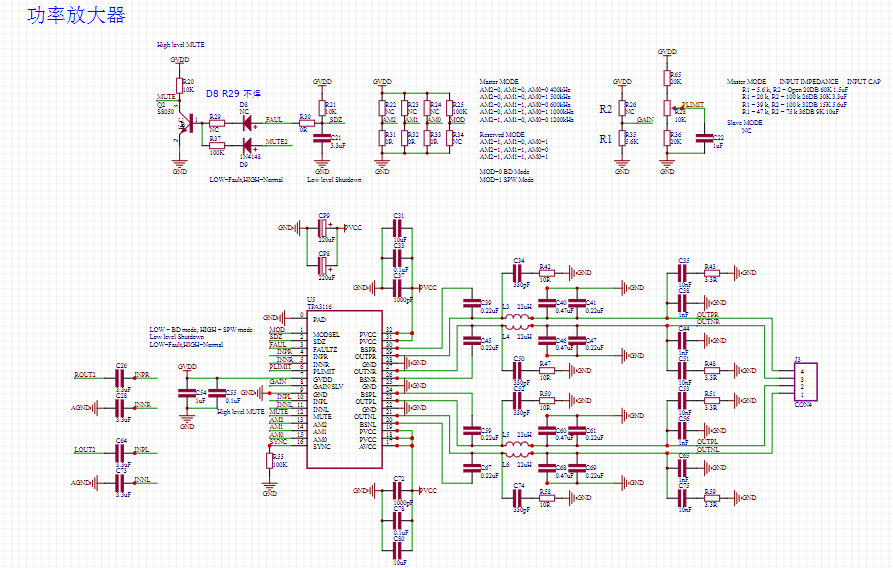
5) 功率放大器采用D类功放,TPA3116或TAP3118。高效率,大功率,小体积,低发热。

5、软件部分
AMP-1.0.zip为最近的源码,使用MDK5编译。
其它的为历史版本。
6、BOM清单

7、大赛LOGO验证


8、演示您的项目并录制成视频上传
设计图
未生成预览图,请在编辑器重新保存一次BOM
暂无BOM
克隆工程工程成员
知识产权声明&复刻说明
本项目为开源硬件项目,其相关的知识产权归创作者所有。创作者在本平台上传该硬件项目仅供平台用户用于学习交流及研究,不包括任何商业性使用,请勿用于商业售卖或其他盈利性的用途;如您认为本项目涉嫌侵犯了您的相关权益,请点击上方“侵权投诉”按钮,我们将按照嘉立创《侵权投诉与申诉规则》进行处理。
请在进行项目复刻时自行验证电路的可行性,并自行辨别该项目是否对您适用。您对复刻项目的任何后果负责,无论何种情况,本平台将不对您在复刻项目时,遇到的任何因开源项目电路设计问题所导致的直接、间接等损害负责。


评论