站内搜索
发作品签到
标准版

51开发板

工程标签

4.4k
0
0
0

简介

作业

简介:作业

开源协议

Public Domain

创建时间:2020-04-26 09:48:03更新时间:2021-06-05 05:04:30

描述

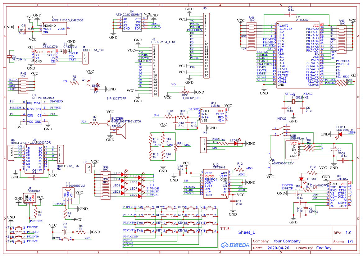
设计图

未生成预览图,请在编辑器重新保存一次

BOM

暂无BOM

3D模型

序号文件名称下载次数
暂无数据

附件

序号文件名称下载次数
暂无数据
克隆工程
添加到专辑
0
0
分享
侵权投诉

工程成员

评论

全部评论(1
按时间排序|按热度排序
粉丝0|获赞0
相关工程
暂无相关工程

底部导航