
开源协议
:BSD
描述
一、作品简介
例如,可以包括但不局限于以下内容:
1.作品的整机外观图片或焊接组装好的PCBA图片;
2.作品的研究背景、目的和功能、市场应用前景;
电源一直是大家DIY的首选项目,但是想DIY出炫酷的又比较难,本表头开始只是针对DIY市场设计,后来发现很多产品,诸如温控计,充放电控制,也就是说设置一个上下阈值,然后给出一个IO,通过关停来达到控制目的,因为大多数控制器都是一个AD转换的方式,于是有了表头设计的思路;
作为一个可以快速控制开发的原型,如果仅仅是固定的界面是没法应用到产品中的,因为不同厂家的产品界面需求变化比较大,这个也就是类似产品无法快速应用的原因所在;想当年,一个三位半数码管的表头卖的非常好,因为可以很方便的改成转速计,温度计等等,因为数码管没有界面,反而可以应用到各个领域;而时代发展了,我们的产品需要高大上的显示界面,但是这样一般的产品反而实现困难了,为此,我们设计了这个表头,可以按照用户的个性需求,书写脚本语句改变所有的显示界面,建立产品的快速原型开发;
3.作品在创新性、趣味性、实用性甚至公益性方面,有哪些亮点可体现?
标准的AD转换,上下阈值控制,以及脚本可控的界面变化,可以发挥想象,基于此产品设计出很多新奇产品;
二、系统构架图
用流程图或思维导图等形式,描述您的作品的组成构架,即方案图。

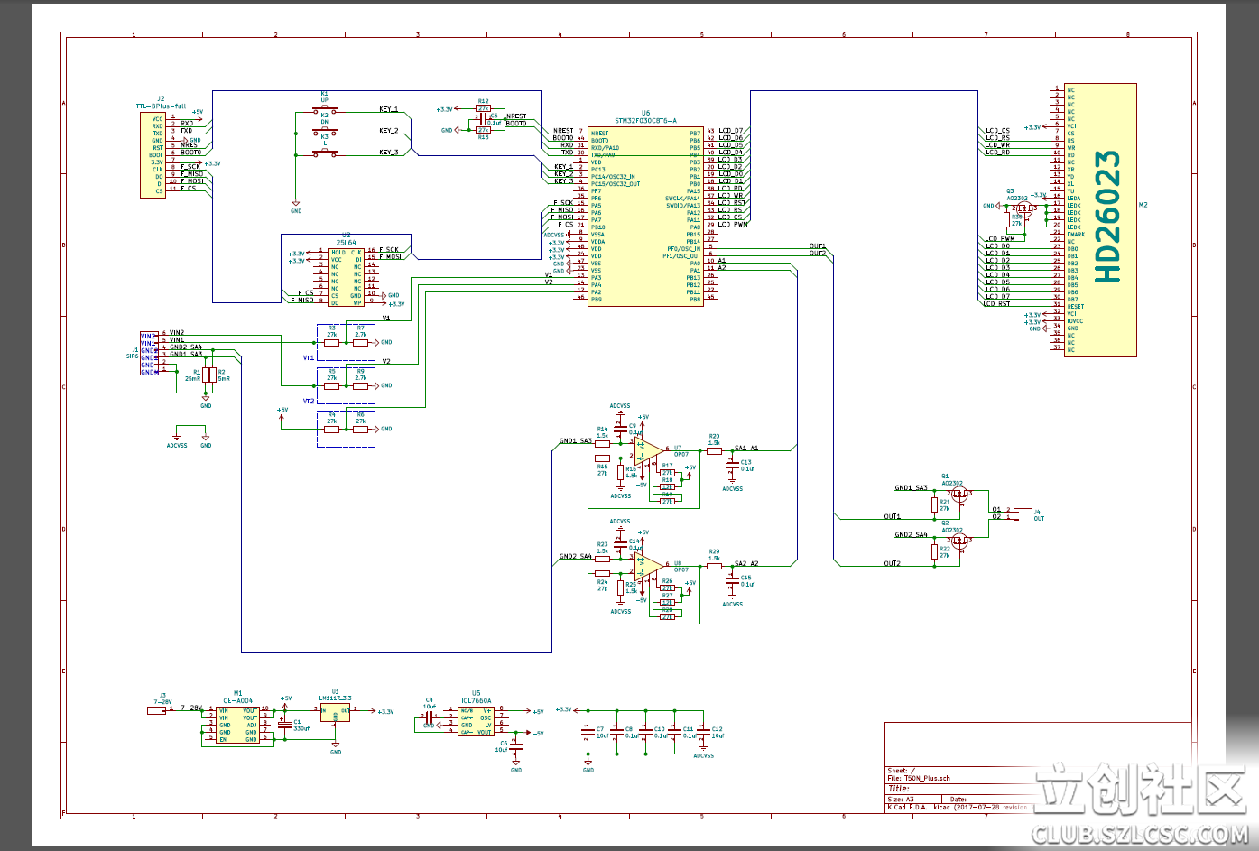
电路非常的简单实用,用7660生成负压,低端R025电阻采样,过OP07放大后进入STM32的AD进行采样;其实这个主要的难点在软件上
三、硬件部分的描述
1.附上原理图&PCB实物图的图片或者源文件(官方建议大家尽量用源文件上传),如果是图片,请确保图片是清晰可辨的;

2.用文字把该作品的实现原理、系统的工作过程大致讲解一下。
这个基本上就是一个电流电压的测量,测量后,自动汇集脚本控制显示;
电压测量基本就是一个简单的电阻分压,电压27K对2.7K 1:11分压,因此电压量程3.3*11=36.3V,采用单片机的12位AD,因此采样分辨率为36.3V/4096=0.00886V,由于AD的精度为+-3LSB,虽然采用的过采样等手段保证精度;因此 电压量程36V ,当然可以增大或减少分压比达到扩大或缩小量程的作用,软件最大支持到65V;
电流测量选用了 DALE的R025 25毫欧的采样电阻,DALE品牌都清楚,温飘系数小,效果不错,按照5A电流计算,压降0.025*5=0.125V;
运放放大电阻分压比为:1.5K:27K,即放大19倍,因此计算出电流为6.9A左右,为了保证一定的余量,我们定义表头的满量产为5A;同样电流分辨率为1.7mA左右,+-3LSB为+-5.4mA;
最终电压和电流都进入单片机的AD采样,采样采用AD DMA 模式,任何一组算法实际上是DMA中50次采样求出的平均值;
在另一方面,由上位机将软件的字库,图库,以及显示的语句都存在表头的存储器中,表头每时每刻都在进行AD的转换,以及语句的解译执行,因此就达到了当前的显示效果;
四、材料清单(BOM列表)
列出您这个作品所用到的主要器件(关键器件即可),比如单片机&ARM芯片、专用集成芯片(ASIC)、传感器、功能模块等。
如果所列出的芯片是来自我们立创商城上的,最好能写出该器件的商品编号或附上对应购买链接。
stm32f030c8t6 C40053 http://www.szlcsc.com/product/details_41034.html
AMS1117-3.3 C6186 http://www.szlcsc.com/so/catalog/387.html
MX25L6406 C60525 封装不太同 http://www.szlcsc.com/product/details_61577.html
OP07CP http://www.szlcsc.com/product/details_7910.html
DALE R025 采样电阻, 这个直接决定电流的温飘,顺便吐槽下,这个去IC代售申请这个型号,居然不批,当然商城中也买不到,样子见焊接主板图
五、软件部分的描述(选填)
如何制作一款用户可以自行定制界面以及操作逻辑的表头用于工程显示是我们一直都在思维的事情,这个思维一直持续了2年;在做完Usart-GPU串口屏的产品之后,突然发现,可以将T50N的表头和串口屏的代码合二为一,于是一切都迎刃而解了;
以下为语句式样(最终产品可能会更改)
脚本语句:
|
DR2; CLS(0); PIC(180,125,1); DS24(40,14,'T50NPlus',2); DS32(140,10,'双路电压电流表',2); DS24(160,50,'----基于GPU技术制作',2); DS16(10,175,'出品:APACHECTL',3); DS16(10,195,'网站:http://www.A-DIY.cn',3); DS12(10,215,'基于Usart-GPU串口屏技术,可以自行修改屏幕显示以适应工程需要。',8); SNF(10,228,8); SLP(3); GOP(0); |
|
CLS(0); SCC(60,6405); SCC(59,44373); SBC(60); BOXF(0,0,399,40,60); DS32(50,4,'单路电压电流表(IN1)',15); SBC(0); DS24(50,135,'电压(V)',15); DS24(250,135,'电流(A)',15); DS16(35,215,'功率(W)',8); DS16(128,215,'内阻(Ω)',8); DS16(230,215,'累计(A.H) (W.H)',8); FI; DS64(20,68,'{0C,4} ',2); DS64(220,68,'{0A,4} ',2); DS24(35,190,'{0G,3}',59); DS24(128,190,'{0H,3}',59); DS24(230,190,'{0B,3}',59); DS24(310,190,'{0D,3}',59); AN(1,3); |
变量表:
{0A,4} 这是一个变量;
其中第一个0代表测量路,0-第一路 1-第二路
其中A代表变量序号,对应参见下表:
|
变量序号 |
对应功能 |
单位 |
备注 |
|
A |
电流 |
mA |
最大65A |
|
B |
安时 |
10mA.h |
最大65A.h |
|
C |
电压 |
mV |
最大65V |
|
D |
瓦时 |
10mW.h |
最大65w.h |
|
E |
电流颜色 |
|
分超高线,合适,超底线 |
|
F |
电压颜色 |
|
分超高线,合适,超底线 |
|
G |
功率 |
10mW |
最大65W |
|
H |
内阻 |
毫欧 |
|
|
I |
上限电流 |
mA |
|
|
J |
下限电流 |
mA |
|
|
K |
上限电压 |
mV |
|
|
L |
下线电压 |
mV |
|
逗号后面的数值代表比值,参见下表:
|
数值 |
描述 |
倍数 |
备注 |
|
0 |
整数显示 |
1倍 |
|
|
1 |
小数点后显示1位 |
千倍 |
对应于mA,mV的变量用 |
|
2 |
小数点后显示2位 |
千倍 |
同上 |
|
3 |
小数点后显示3位 |
千倍 |
同上 |
|
4 |
长度适配,<10,小数点后显示3位,>10,小数点后显示2位 |
千倍 |
同上 |
|
6 |
小数点后显示1位 |
百倍 |
对应于10mA.h |
|
7 |
小数点后显示2位 |
百倍 |
同上 |
|
8 |
长度适配,<10,小数点后显示2位,>10,小数点后显示1位 |
百倍 |
同上 |
除GPU语句以外的表头相关命令
|
命令 |
说明 |
示例 |
|
AN(1,pgn) |
如果按钮1 被按下,跳到页面pgn;pgn会被记忆,开机直达 |
AN(1,10); |
|
SLP(n); |
延时n秒 |
SLP(3); |
|
GOP(pgn); |
跳到pgn页,pgn=0 时,表示上次记忆的那页; |
GOP(0); |
|
SAUP(rt,A,ctl,type)* |
设置rt路电流上限, Rt=0 第一路 rn=1 第二路 A:电流值,整数,单位mA,设置2A的话,则A=2000; Ctl控制通断路:这里CTL=1表示第一路 =2表示第二路 =3 表示第三路(预留) Type:输出电平:0-低电平 1-高电平 2-不变 |
SAUP(1,1200,2,2) |
|
SADN(rt,A,ctl,type)* |
设置电流下限,参数同上 |
SADN(1,200,2,2) |
|
SVUP(rt,A,ctl,type)* |
设置电压上限,参数同上 |
SVUP(1,4200,2,2) |
|
SVDN(rt,A,ctl,type)* |
设置电压下限,参数同上 |
SVDN(1,4200,2,2) |
|
CLA |
将2路AH,Wh清空 |
CLA; |
|
VAQX(rt,x,y,t,w,h,xn,yn,st(1-显示标尺)); |
T50用电压电流曲线显示 Rt=0 第一路 rn=1 第二路; X,y 曲线方框左上角坐标; T: 显示类型0-不显示曲线,1-只显示V,2-只显示A,3-VA显示 W:横向每个格子宽,单位像素点 H:纵向每个格子宽,单位像素点 Xn:横向有几个格子,必须大于6; Yn:纵向有几个格子,必须大于6; St:=0 不显示标尺 =1显示标尺
|
VAQX(0,40,0,3,18,20,18,10,1); |
|
FI |
标定后面的语句为刷新时显示 |
FI; |
|
TCLT |
强行设置MOS TCL(1,1); 第2路输出高电平 TCL(1,0); 第2路低电平 TCL(0,1);第一路高电平 |
|
通过上位机软件,可以把语句,字体,图库等信息上传到表头中完成显示;上位机下载:(今天服务器好像有问题,改天上传)
整体性能:
1、采用2.6吋320X240分辨率的高分屏显示。
2、电压27K对2.7K 1:11分压,因此电压量程3.3*11=36.3V,采用单片机的12位AD,因此采样分辨率为36.3V/4096=0.00886V,由于AD的精度为+-3LSB,虽然采用的过采样等手段保证精度,但是在+-0.027V内跳动属正常精度;(这个范围是指对电池的测量,实际上27mV很多电源的纹波都无法保证);
3、电流采用25毫欧的采样电阻,运放放大电阻分压比为:1.5K:27K,即放大19倍,因此计算出电流为6.9A左右,为了保证一定的余量,我们定义表头的满量产为5A;同样电流分辨率为1.7mA左右,+-3LSB为+-5.4mA;
4、双路共地设计,表头使用+5V电源,可由串口端接入,但是功率地必须由MainGND接入,否则会导致测量不准;
5、板上仍然预留A004模块的位置,这样可以将表头的供电范围扩展到28V(资料数据,实际建议不超24V),这样可以从测量电压中“偷电”;
6、板载双路MOS,可以通过GPU语句对电压电流设置上下限,并可控制MOS管,方便做类温度控制的仪器;
7、双路带有AH,WH测量,配合MOS管,其实很容易做出类似锂电池放电容量测试的程序;
校准的步骤
1、同时按住AN1和AN2,上电,此时屏幕出现黑屏,松开AN1和AN2 ,系统进入校准界面:
2、此时,系统提示“请将V1+(IN) 和 V2+(IN) 一同接 +5V 基准电压,然后按AN1 按钮;”,按提示操作,此步校准2路电压;
3、之后,系统显示:“请将GND1 接负载负极,辅助电源+接负载正,调整当负载电流 200mA时(可以串万用表电流档),然后按AN1 按钮;”,此步校准第一路电流的低端;
4、之后,系统显示:“请将GND2 接负载负极,辅助电源+接负载正,调整当负载电流 200mA时(可以串万用表电流档),然后按AN1 按钮;”,此步校准第二路电流的低端;
5、显示“请将GND1 接负载负极,辅助电源+接负载正,调整当负载电流 2A时(可以串万用表电流档),然后按AN1 按钮”,此步校准第一路电流的高端
6、显示“请将GND2 接负载负极,辅助电源+接负载正,调整当负载电流 2A时(可以串万用表电流档),然后按AN1 按钮;”,此步校准第二路电流的高端
7、系统显示“请重启设备;”断电重启,校准完成;
六、作品演示
请上传您的作品的功能演示到腾讯视频,并编辑到本楼(或附上视频链接)。按要求上传视频可获得5分,具体详见活动规则。
https://v.qq.com/x/page/h0538cfo5xp.html
七、总结
例如您在完成该作品过程中的一些体会、碰到的技术问题或调试经验、作品的未来规划,及对我们主办方的建议和意见等。
资料下载:
原理图pdf:T50N_Plus_v2.pdf (下载次数:1738)
PCB:T50N_Plus_v2.rar (下载次数:1496)
因考虑到商业机密问题,源代码无法公开,但为了保障爱好者学习,我们公开早期表头的核心代码,仅供学习:SRC.ZIP (下载次数:1385)
上位机:gpumaker.zip (下载次数:1363)
更多项目详情见链接:http://club.szlcsc.com/article/details_6550_1.html
本项目归立创社区“jetbin”所有
设计图
未生成预览图,请在编辑器重新保存一次BOM
暂无BOM
克隆工程知识产权声明&复刻说明
本项目为开源硬件项目,其相关的知识产权归创作者所有。创作者在本平台上传该硬件项目仅供平台用户用于学习交流及研究,不包括任何商业性使用,请勿用于商业售卖或其他盈利性的用途;如您认为本项目涉嫌侵犯了您的相关权益,请点击上方“侵权投诉”按钮,我们将按照嘉立创《侵权投诉与申诉规则》进行处理。
请在进行项目复刻时自行验证电路的可行性,并自行辨别该项目是否对您适用。您对复刻项目的任何后果负责,无论何种情况,本平台将不对您在复刻项目时,遇到的任何因开源项目电路设计问题所导致的直接、间接等损害负责。


评论