
安全管家
简介
1.可燃气体浓度和空气质量 检测 2.适宜温度、湿度提醒和报警。 3.光线检测(窗帘) 4.天气预报 5.夜光灯、应急照明灯, 6.APP小程序状态提示 7.电话求助和微信提醒(自动求助报警)
简介:1.可燃气体浓度和空气质量 检测 2.适宜温度、湿度提醒和报警。 3.光线检测(窗帘) 4.天气预报 5.夜光灯、应急照明灯, 6.APP小程序状态提示 7.电话求助和微信提醒(自动求助报警)开源协议
:Public Domain
描述
程序由于(某些原因)后开源!!可以去我的Github上看看!!点个关注再去(圈粉)🦢
如果你有啥问题可以通过两个途径联系到我们
QQ交流群:864884014
个人博客:https://hinuohui.com/
前言
一氧化碳中毒,是在电视上报道了很多,身边也有经过的案例
我也很难受,我就想能不能做点什么,去避免某些事情的发生。在前期的开发中,我也在网上看到了,太多太多的案例,有的多则一家不幸,这确实是一个大问题。
现在的天然气绝大多数已经安装上了漏气检测保护,而且每年,每月都会安排人员来检查,但是我们忽视了那些,没有安装天然气,却使用着钢罐装的煤气瓶,即没有漏气保护,回火,忘关,不充分燃烧,管道损坏,这是很大的漏气隐患。钢罐装的煤气瓶使用地区大多都是农村或者未通天然气的部分,人员稀少,且发生中毒后,不易察觉。
立创举办活动,也驱动着我的开发,希望能迭代升级,使作品成为产品,也让我们身边有一个 ”保护伞“。
思路
√有毒气体检测(一氧化碳,甲烷)
√适宜温度、湿度提醒和报警。
√光线检测(窗帘)
√天气预报
√APP小程序状态提示
√电话求助和微信提醒(自动求助报警)
√应急电源(USB手机快充)
夜光灯、应急照明灯(硬件预留)
外壳

1.可燃气体浓度和空气质量 检测
2.自动切换适宜温度、湿度提醒和报警。
3.光线检测(窗帘)
4.天气预报
5.夜光灯、应急照明灯,
6.APP小程序状态提示
7.电话求助和微信提醒(自动求助报警)
8.应急电源
简介在编辑中不小心删掉了,正在补充中...................
PCB版

1.多协议快充(支持超多协议快充)
2.12V电池独立供电
外壳(渲染)


微信小程序

软件采用ESP8266计入互联网,MQTT协议进行收发数据。
气体检测功能
采用MQ-9的方案

ppm=[300,400,500,600,700,800,900,1000,2000,3000,4000,5000,6000,7000,8000,9000,10000]’;
Rs/R0=[0.27,0.23,0.195,0.175,0.16,0.15,0.14,0.13,0.078,0.058,0.049,0.042,0.037,0.032,0.029,0.027,0.025]’;
使用matlab进行仿真得到散点图和仿真曲线:
根据灵敏度特性曲线找出横坐标与纵坐标一一对应关系:

我们得到一个类曲线图案
得到公式:
Rs/R0 = 11.5428*ppm^(-0.6549)
注:R0:表示传感器再洁净空气中的值。

反推化简
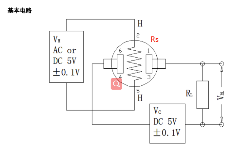
根据电路图我们可以得到:
Vrl/Rl = (Vc - Vrl)/Rs;
Vrl:即AO口输出电压
Vc:回路电压
Rl:我的电路里面Rl为0K,具体看电路图
根据技术文档我们知道R0就是在洁净空气下Rs的值。
我的回路测试电压为5V,洁净空气下Vrl为0.621887(多次测得电压取平均值),所以得到R0的值为35.904K。
注:为保证准确性,洁净空气下Vrl的值需要在传感器充分预热下测得。
然后根据公式Rs/R0 = 11.5428 * ppm^(-0.6549)和Vrl/Rl = (Vc - Vrl)/Rs推导,得到:
ppm^0.6549 = 11.5428 * 35.904 * Vrl/(25.5* Vrl);
使用C标准库函数pow(x,y)求得ppm;//其作用是计算x的y次方。x、y及函数值都是double型
使用的HK32的芯片,耐压5V但是ADC只能3.3V-这里要乘以1.5,两个电阻分压一半
ppm = pow(11.5428 * 35.904 * Vrl/(25.5-1.5/24* Vrl),0.6549);
PPM决定中的的状况

为了安全,我们把阈值设置为50,接受范围以内,以保障儿童以及老人使用情况下!
外壳
到现在外壳还没有发货(头大),拿了个盒子代替
喇叭和麦克风(语音识别)

主界面
最近在学 LVGL 嵌入式GUI界面,但愿做出来界面比这好一些把!!

嵌入式没学过UI
————————————————
技术参考文档:1.https://blog.csdn.net/qq_35952136/article/details/95589074
设计图
未生成预览图,请在编辑器重新保存一次BOM
暂无BOM
克隆工程工程成员
知识产权声明&复刻说明
本项目为开源硬件项目,其相关的知识产权归创作者所有。创作者在本平台上传该硬件项目仅供平台用户用于学习交流及研究,不包括任何商业性使用,请勿用于商业售卖或其他盈利性的用途;如您认为本项目涉嫌侵犯了您的相关权益,请点击上方“侵权投诉”按钮,我们将按照嘉立创《侵权投诉与申诉规则》进行处理。
请在进行项目复刻时自行验证电路的可行性,并自行辨别该项目是否对您适用。您对复刻项目的任何后果负责,无论何种情况,本平台将不对您在复刻项目时,遇到的任何因开源项目电路设计问题所导致的直接、间接等损害负责。


评论