
开源协议
:Public Domain
创建时间:2023-10-24 09:12:23更新时间:2023-10-25 17:41:44
描述
实现功能
设计了STC8H8K64U的最小系统板,每个I/O上面都一个LED,更直观的观察引脚的状态,采用双Type-C,实现串口或者USB下载
芯片特点
●工作电压范围大:1.9~5.5V
●60个I/O
●有IIC、SPI、UART等常用功能
●最贵的型号(LQFP64)只需2.5RMB
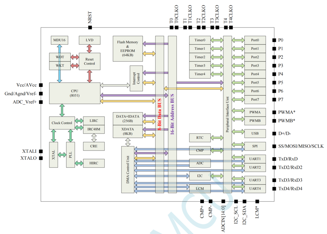
以下为STC8H8K的内部框图

原理图设计说明
参照STC8H的手册绘制而成,将所有的引脚全部引出,便于外接功能验证

实物展示


设计图
未生成预览图,请在编辑器重新保存一次BOM
暂无BOM
克隆工程添加到专辑
0
0
分享
侵权投诉
工程成员
知识产权声明&复刻说明
本项目为开源硬件项目,其相关的知识产权归创作者所有。创作者在本平台上传该硬件项目仅供平台用户用于学习交流及研究,不包括任何商业性使用,请勿用于商业售卖或其他盈利性的用途;如您认为本项目涉嫌侵犯了您的相关权益,请点击上方“侵权投诉”按钮,我们将按照嘉立创《侵权投诉与申诉规则》进行处理。
请在进行项目复刻时自行验证电路的可行性,并自行辨别该项目是否对您适用。您对复刻项目的任何后果负责,无论何种情况,本平台将不对您在复刻项目时,遇到的任何因开源项目电路设计问题所导致的直接、间接等损害负责。


评论