
200MW三角图传
简介
GD32F130G6U6+RTC6705+RTC6659E的5.8G开源三角图传,16mm+20mm+25.5mm安装孔,基于OpenVTX开源系统,5V供电,
简介:GD32F130G6U6+RTC6705+RTC6659E的5.8G开源三角图传,16mm+20mm+25.5mm安装孔,基于OpenVTX开源系统,5V供电,开源协议
:GPL 3.0
描述
更新
2022-09-19 初版内容
2022-10-30 更新固件烧写部分
2022-11-08 增加详细7.小白版固件烧写流程,感谢SummerF
1.硬件设计
RTC6659E放大倍数基本恒定,MCU从6659VDP引脚读出当前输出功率,再通过RTCBIAS调节6705输出信号的幅值控制6659输入信号的大小以实现输出功率的控制。GD32的引脚定义基本与EWRF_E7082VM一致,为了布线的方便,更换了VREF和PD的顺序
晶振使用的是40℃-125℃工作范围的DSX321G,保证图传在温度较高时晶振频率的稳定
2.打板
1.2mm厚度 + JLC04161H-7628层叠结构
层压顺序为GTL-G1-G2-GBL
!!!!
板子用AD设计,建议使用Gerber文件下单,立创EDA导入的原件图和PCB仅供参考
3.焊接
焊接该模块至少需要热风q和锡膏
6705一面加热台焊接, GD32一面使用热风q
成品


4.固件烧写
4.1BootLoader烧写
OPENVTX的固件烧写需要VSCode+PlatformIO环境,需要通过SWD先将bootLoader刷入。bootloader.bin在附件中有,附件里的Bootloader版本也支持最新发布的Openvtx v0.2.0版本
7章节更新了手把手版本的烧写教学,感谢SummerF的编写
Bootloader需要使用ARM下载器进行下载,如STLINK,JLINK,各种LINK,使用配套的下载软件加载bootloader.bin下载即可
Bootloader在附件中
bootloader成功刷入后,上电飞控的红灯会慢闪
连接如图所示

4.2固件烧写
固件需要自己编译下载和编译,附件中有v0.2.0版本的代码
最新的代码最好还是去github自取https://github.com/OpenVTx/OpenVTx
在上一步bootloader成功刷入后,将飞控和图传连接
进入飞控地面站,将连接到的对应UART设置为Smart Audio协议,保存并关闭地面站

打开OpenVTX的代码
修改引脚定义
在v0.1.0中路径为/src/src/targets/EWRF_E7082VM/EWRF_E7082VM.h
v.0.2.0中路径为/src/src/targets/Generic_GD32F130/Generic_GD32F130.h

确定飞控的连接,之后在PlatformIO中点击上传

之后等进度条走完就可以了
5.配置和测试
配置图传的JSON文件在附件中有,betaflight-configurator vtx选项卡中选择从文件导入,选择对应的JSON文件即可,该图传硬件以及固件是支持400MW输出的,功率也是充足的,在配置文件中修改为value:26,label:400即可,但是400mW发热量较大,我在自己飞机的Build中选择最高设置为200mW。
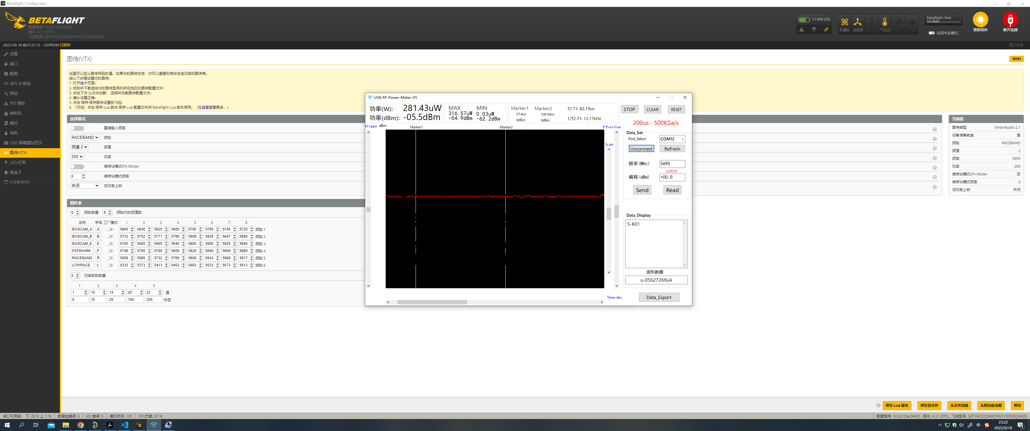
图传的输出功率用射频功率计进行了测量,通过30DB衰减器连接功率计,实际输出功率为读数dBm+30dBm,使用的为Race 2频段5695MHz
设置10mW读数-20.4dBm,实际功率-20.4+30 = 9.6dBm = 9.12mW
设置25mW读数-16.1dBm,实际功率-16.1+30 = 13.9dBm = 24.55mW

设置100mW读数-9.7dBm,实际功率-9.7+30 = 20.3dBm = 107.15mW

设置200mW读数-5.5dBm,实际功率-5.5+30 = 24.5dBm = 281.84mW

6.实际飞行
待更新
7.小白版固件烧写流程
7.1Bootloader刷写(Jlink)
1.下载安装Jlink软件(https://www.segger.com/downloads/jlink/)

2.用Jflash刷写
打开jflash


Start


找到对应的芯片,OK

Jlink接好线


插上电脑

选择固件

起始位置一定要对,OK



看log是否刷写成功即可
若没有成功,检查焊接和接线是否正确
7.2通过飞控刷写固件
1. 飞控设置
首先确定你接图传的uart口(焊接图传到飞控上)。然后再bf地面站设置对应uart口的协议为smartaudio
2. 关掉bf地面站
3. 打开visual studio code

4. 打开后按图安装platformio

5. 安装完成platformio后重启软件,会看到一个外星人头像

6. 点开这个头像,按图操作

点击Open project,选择你下载的源文件目录,打开源文件目录src

7. 打开后如图

8. 点击资源管理器,如图

找到如图路径的文件,修改引脚定义

9. 点击外星人头像

10. 按照下图点击,点①编译程序,点②刷写程序。看到成功就完成了

设计图
未生成预览图,请在编辑器重新保存一次BOM
暂无BOM
克隆工程工程成员
知识产权声明&复刻说明
本项目为开源硬件项目,其相关的知识产权归创作者所有。创作者在本平台上传该硬件项目仅供平台用户用于学习交流及研究,不包括任何商业性使用,请勿用于商业售卖或其他盈利性的用途;如您认为本项目涉嫌侵犯了您的相关权益,请点击上方“侵权投诉”按钮,我们将按照嘉立创《侵权投诉与申诉规则》进行处理。
请在进行项目复刻时自行验证电路的可行性,并自行辨别该项目是否对您适用。您对复刻项目的任何后果负责,无论何种情况,本平台将不对您在复刻项目时,遇到的任何因开源项目电路设计问题所导致的直接、间接等损害负责。


评论