
基于CH32V307的有感FOC无刷直流电机驱动控制器
简介
本设计采用沁恒的RISC-V架构的单片机CH32V307为主控设计的FOC无刷直流电机驱动控制器,硬件与软件基于柠檬FOC进行修改设计,实现对无刷直流电机的速度、电流、位置闭环控制。
简介:本设计采用沁恒的RISC-V架构的单片机CH32V307为主控设计的FOC无刷直流电机驱动控制器,硬件与软件基于柠檬FOC进行修改设计,实现对无刷直流电机的速度、电流、位置闭环控制。开源协议
:GPL 3.0
(未经作者授权,禁止转载)描述

本设计实现了无刷直流电机的速度、电流、位置闭环控制。主要原理是通过实现磁场定向控制技术,就能够对电机的转速和转矩精准控制。控制器具有多种功能,其中包括电机启动、速度控制、位置控制、力矩闭环控制等。并且通过采集传感器信息,控制器可以对电机的状态进行实时监测和反馈控制,从而确保系统的稳定性和高效性能。此外,控制器还可以通过串口、CAN、按键,与上位机进行数据交互和控制指令传输。
硬件方面本设计支持宽电压范围供电,可以覆盖8V到28V范围内的电压。并且通过LCD,可以显示电压、电流、温度、速度、位置、控制模式、编码器模式等信息,方便进行实时监控和操作。
最后,FOC无刷直流电机驱动控制器还能够自动测量电机相关参数,并根据电机参数生成电流环控制增益,从而实现对市面上大部分无刷电机的控制。

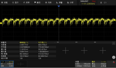
实际测量3.3V纹波

慢速转动SVPWM模拟波形图

快速转动SVPWM模拟波形图
表6.1 测试仪器型号表
|
仪器 |
型号 |
|
四通道示波器 |
SDS804X HD |
|
可编程直流电源 |
KEITHLEY 2231A-30-3 |
|
数字万用表 |
UT136C+ |
设计图
未生成预览图,请在编辑器重新保存一次BOM
暂无BOM
克隆工程知识产权声明&复刻说明
本项目为开源硬件项目,其相关的知识产权归创作者所有。创作者在本平台上传该硬件项目仅供平台用户用于学习交流及研究,不包括任何商业性使用,请勿用于商业售卖或其他盈利性的用途;如您认为本项目涉嫌侵犯了您的相关权益,请点击上方“侵权投诉”按钮,我们将按照嘉立创《侵权投诉与申诉规则》进行处理。
请在进行项目复刻时自行验证电路的可行性,并自行辨别该项目是否对您适用。您对复刻项目的任何后果负责,无论何种情况,本平台将不对您在复刻项目时,遇到的任何因开源项目电路设计问题所导致的直接、间接等损害负责。


评论