
【MPS机器人挑战赛作品】基于MPS系列芯片的电机驱动器
简介
参加MPS活动做的无刷电机驱动器,适用于伺泰威GIM6010-8-48V电机。 在此感谢MPS提供这次机会和平台让我学到了很多东西。
简介:参加MPS活动做的无刷电机驱动器,适用于伺泰威GIM6010-8-48V电机。 在此感谢MPS提供这次机会和平台让我学到了很多东西。开源协议
:GPL 3.0
描述
工程复刻福利
想快速复刻本关节电机工程?特联合MPS为开发者提供免费样品申领福利,工程同款芯片直接送,帮你零成本启动项目开发!可通过下方二维码或点击链接直接申领app-u.jingsocial.com/surl/JNH9Kul

项目设计
电源部分
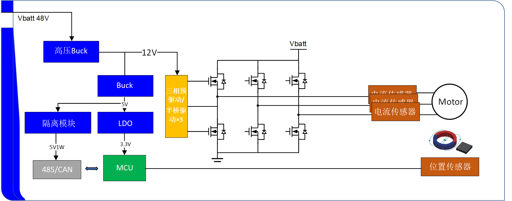
电源结构为两级降压结构。
使用MPS的MP4583将48V降至12V给半桥驱动和后级供电。
MPS的MPM3632集成电感降压模块将12V降至5V给控制系统供电。
半桥电路
MP1924AHS-LF-Z:100V、4A 高频半桥栅极驱动,驱动 NMOS半桥。
MOSFET使用NCEP0140AG,100V、40A功率MOS。
采样部分
编码器采用MPS的MA600A,用于读取FOC控制所需的角度和闭环控制所需的速度。
电流采样使用了两颗TI的INA241A2,采样两相电流再计算第三相的电流,用于电流闭环。
设计了一个NTC接口用于监控电机的温度。
控制系统
主控采用STM32G474CBT6,使用内部振荡器和内部电压基准,减少了外围元件。
使用两颗MPS的MP20051线性稳压器将5V降至3.3V,一路为数字供电,一路为模拟供电。
CAN部分使用MPS的MIE1W0505BGLVH, 5V、1W、2.5kVRMS 隔离式稳压模块,为川土微CA-IS1044S隔离式CAN收发器供电。
整体结构如图所示

项目概况
当前情况
硬件部分的验证已经完成。
软件部分由于时间问题当前仅实现了基本功能(验证硬件被三毛管硬控了两周,后来换了管子就好了),使用SVPWM调制方式,实现的电压控制下的旋转功能。
后续规划
-
实现三环控制:电流环、速度环、位置环。
-
编写CAN通信控制电机的程序。
-
做一个简单的上位机用于校准和调参。
注意事项
-
母线上需要并一颗100uF的电容,用于稳定电机启停的电压,由于画图时未考虑到所以原理图上未画出。
-
MOS管需换成NCEP0140AG。CSD18540的耐压比较极限,原理图未修改。
实物图


演示视频
演示41V~55V工作电压平稳转动
设计图
未生成预览图,请在编辑器重新保存一次BOM
暂无BOM
克隆工程工程成员
知识产权声明&复刻说明
本项目为开源硬件项目,其相关的知识产权归创作者所有。创作者在本平台上传该硬件项目仅供平台用户用于学习交流及研究,不包括任何商业性使用,请勿用于商业售卖或其他盈利性的用途;如您认为本项目涉嫌侵犯了您的相关权益,请点击上方“侵权投诉”按钮,我们将按照嘉立创《侵权投诉与申诉规则》进行处理。
请在进行项目复刻时自行验证电路的可行性,并自行辨别该项目是否对您适用。您对复刻项目的任何后果负责,无论何种情况,本平台将不对您在复刻项目时,遇到的任何因开源项目电路设计问题所导致的直接、间接等损害负责。


评论