Wirless LED Control
简介
自制了一套灵活性程度高且成本可控的模块化LED显示系统,用于求婚、制造惊喜等情况,实现求婚中所需的可变可控的图形化显示,体现出电子爱好者的自我修养,为提升电子爱好者在异性心中的好感度贡献一份力量。
简介:自制了一套灵活性程度高且成本可控的模块化LED显示系统,用于求婚、制造惊喜等情况,实现求婚中所需的可变可控的图形化显示,体现出电子爱好者的自我修养,为提升电子爱好者在异性心中的好感度贡献一份力量。开源协议
:CERN Open Hardware License
描述
模块化LED显示系统
1、总体技术指标
- 总体上采用“一主多从”的结构,至少支持256个从机;
- 主机根据需求,发送指令控制从机进行显示;
- 每个从机可根据主机的执行显示功能,每个从机可单独控制;
- 每个从机可显示3种基础色,以及三种基础色的任意组合;
- 单个从机尺寸直径为38mm(含乒乓球壳);
- 主机从机控制距离不低于5米。
2、系统框图

总体方案由主机和从机两部分组成,主机与从机之间采用2.4G通讯,由主机进行定期广播含有地址地址和显示命令的信息,从机持续监听,当收到与自身地址匹配的显示命令,则根据命令执行相应的显示功能。
3、总体进度情况
已完成1主机5从机通讯和控制测试,地址匹配性,控制命令执行正确,显示功能良好。
2022.7.1 完成布置示意图及从机150套生产下单,完成主机PCB下单,准备自己焊接主机。
2022.7.31 完成主机从机程序调试和匹配,主机可对从机进行控制(见视频),但从机数量多,有时候存在抢信道和数据错误的问题,正在研究解决方法。
2022.8.1 求婚成功啦(虽然还存在一些问题)。
2022.9.5 针对从机数量多抢信道和数据错误的问题(2022.8.5),开发了信道和地址同步算法(从机静态同步、主机动态同步),解决了抢信道的问题。可实现任一从机的颜色控制。
4、项目难点:
- 多从机的协调控制,图形化设计;
- 多从机可靠通信;
- 在乒乓球大小空间内实现从机的功能;
- 从机调光、控制、比较的中断优先级控制。
5、主要亮点:
- 可实现任一图案字母布置,不受接线影响;
- 巧妙通过乒乓球雾化效果,提升从机显示效果;
- 巧妙布局布线实现内置于乒乓球大小的空间;
- 通过信道和地址同步算法,实现了主从机通讯的可靠性;
- 体现出电子工程师的浪漫情怀。
6、硬件部分
6.1 主要硬件选型
- 主机控制器:考虑到主机需要进行图片显示,使用资源较多的STC8H3K64S4(C2901852,8.23元)单片机;
- 从机控制器:考虑到低成本和资源需求不高,使用STC8H1K16(C914617,¥3.23)单片机;
- 2.4G通讯模块(主机从机通用):星火计划要求物料从立创商城选,因此选择了泽耀科技的AS01-ML01S(C84802,¥16.72),其实泽耀的GS01-S(¥4.98,量大可从优);
- 主机屏幕:选用了圆形屏幕,美观时尚,某宝买的,晶美达1.28寸(¥32);
- 主机触摸按键控制器:Sam&wing(芯网)的AM01B_W(C723855,¥0.66);
- 电源开关(主机从机通用):为了控制主机和从机的电源通断,选用SHOU HAN(首韩)的SK12D07VG3两档卧式波动开关(C431547,¥0.11);
- 拨码开关(主机从机通用):选用8位1.27mm的DSHP08TSGET(C40738,¥3.96),用于设置显示方案、模式等,可省略;
- 从机显示器件:考虑到三种基础颜色和组合颜色的显示,采用XINGLIGHT(成兴光)的XL-5050RGBC三色LED(C2843868,¥0.19)三种颜色可独立控制;
- 电池:放弃使用纽扣电池,采用某宝购买的502030锂电池,单价¥2。
主要器件如下图所示。

6.2 成本分析
本项目中主机就1个,对于成本不敏感,从机数量多,主要贡献项目成本。
根据从机目前的主要器件选型,元器件成本在13元/个左右,某宝购买的3.7V 502030锂电池单价¥2,假设考虑批量化情况下PCB及SMT的成本单价为¥5;
那么从机的除外壳结构件外,成本单价有望控制在¥20左右;考虑到本项目对标某宝大量泛滥的电子蜡烛价格在16-25元左右,
本项目在技术和显示效果领先的情况下,价格上也有较好的竞争性。
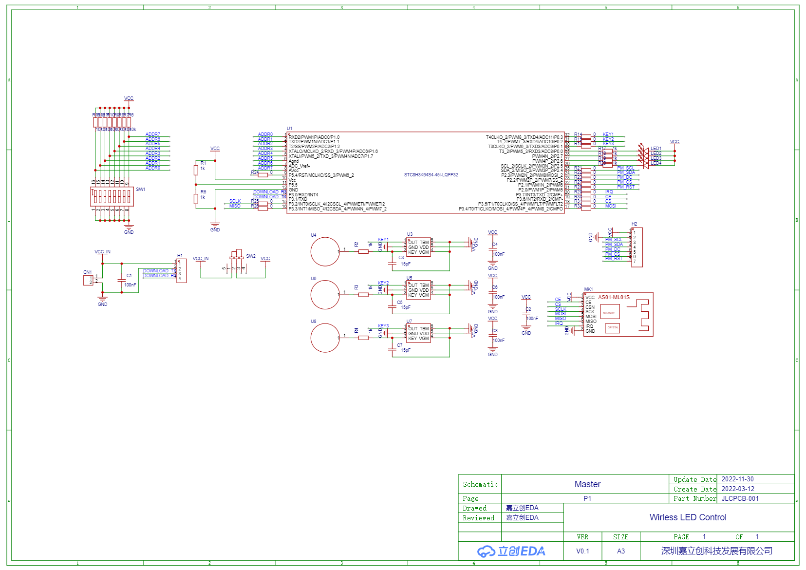
6.3 原理图设计说明
原理图分为主机原理图“Master”和从机原理图“Slave_In_Ball”;主机考虑到需要进行图形显示,使用资源较多的STC8H3K64S4单片机,同时设置3个触摸按键和拨码,用于进行模式设置和显示方案设置。从机使用STC8H1即可,采用1颗三色集成灯珠,用3个IO控制,可形成任意组合色,用拨码开关定义从机地址。主机从机之间采用SPI接口控制2.4G通讯模块进行通讯。需要注意的有如下几点:
- 从机原理图设计时,需要将2.4G模块的IRQ输出,连接至单片机的CMP功能引脚,从而保证命令接收的高优先级;
- 从机8拨码开关连接至单片机P1口的8个引脚,便于进行地址采样和匹配;
- 主机触摸按键需要自行绘制原理图库和PCB库,按键区域形状可根据需求进行修改,目前采用的是原型触摸区域。


6.4 PCB设计说明
由于需要将从机放到乒乓球里面,因此从机经过多次调整布局布线,实现了在直径36mm的空间内完成所有器件布局布线,且预留的锂电池的安装位置。主机的布局布线主要合理美观,对空间没有严苛要求。
7 软件方案
7.1 软件关键点
软件设计中主要有以下关键点:
- 主机软件中向从机发送命令时,采用信道和地址同步算法(从机静态同步、主机动态同步),解决从机之间抢信道的问题;
- 主机触摸按键采用IO口中断进行采集,避免漏采;
- 从机将2.4G模块设置中断输出,使用单片机的CMP中断接收2.4G模块输出的中断信号,并保证高优先级;
- 从机驱动LED的IO,采用PWM输出,结合定时器可实现呼吸灯的效果,对于固定颜色显示的情况,也可降低功耗;
- 从机的信道设置应与地址进行匹配。
7.2 主机软件流程图
主机软件流程如下图所示,主机软件在完成初始化和图片显示后,持续等待按键中断,根据按键中断设置的显示方案码,进行匹配,当匹配到预设的方案码后,向从机发送显示命令。向从机发送命令时,将从机代码和信道动态绑定,采用信道和地址同步算法(从机静态同步、主机动态同步),从而达到解决从机之间抢信道的问题。

7.3 从机软件流程图
从机软件流程如下图所示,从机软件在完成初始化后,持续等待2.4G模块的中断信号,接收到中断后,读取主机发来的,命令码,根据命令码控制LED进行显示,完成显示后持续等待下一次2.4G模块的中断信号,根据新命令更新显示状态。

8 实物展示说明
主机实物如下图所示。
从机实物如下图所示。

9 注意事项
电池部分考虑到电量、可复用性和安全性,未使用纽扣电池;使用的是502030 3.7V锂电池,充好电可以用挺久,而且可以反复使用。
10 演示视频
见视频部分。
11 其它附件上传
见附件部分。
设计图
未生成预览图,请在编辑器重新保存一次BOM
暂无BOM
克隆工程知识产权声明&复刻说明
本项目为开源硬件项目,其相关的知识产权归创作者所有。创作者在本平台上传该硬件项目仅供平台用户用于学习交流及研究,不包括任何商业性使用,请勿用于商业售卖或其他盈利性的用途;如您认为本项目涉嫌侵犯了您的相关权益,请点击上方“侵权投诉”按钮,我们将按照嘉立创《侵权投诉与申诉规则》进行处理。
请在进行项目复刻时自行验证电路的可行性,并自行辨别该项目是否对您适用。您对复刻项目的任何后果负责,无论何种情况,本平台将不对您在复刻项目时,遇到的任何因开源项目电路设计问题所导致的直接、间接等损害负责。


评论