
专业版
#第十届立创电赛#小智AI训练营
260
0
0
0
简介
本项目基于立创开源训练营SF32LB52高性能模组,制作的插件版本的AI小智助手修改后复刻,原项目文档:https://lceda002.feishu.cn/wiki/B2LLwyC7binHuJk
简介: 本项目基于立创开源训练营SF32LB52高性能模组,制作的插件版本的AI小智助手修改后复刻,原项目文档:https://lceda002.feishu.cn/wiki/B2LLwyC7binHuJk开源协议
:Public Domain
创建时间:2025-08-22 09:11:42更新时间:2025-09-08 11:45:31
描述
* 1、项目功能介绍
本项目是基于立创开源的sf32lb52高性能蓝牙模组 制作的简易AI对话机器人,实现AI实时语音对话。它能够听懂你的情绪,解答的疑惑,也能分享你的快乐。在原有开源项目基础上,添加了电池充电模块,将电池更换为体积更小的软包锂电池,原项目的插件元件更换为0603的贴片。
*2、项目属性
项目为首次公开;项目是根据立创训练营开源项目更改后的;项目未曾在其他比赛中获奖;项目未在学校参加过答辩。
* 3、开源协议
项目引用立创开源训练营,https://lceda002.feishu.cn/wiki/B2LLwyC7binHuJkkHGMce03wnWf?fromScene=spaceOverview
*4、硬件部分
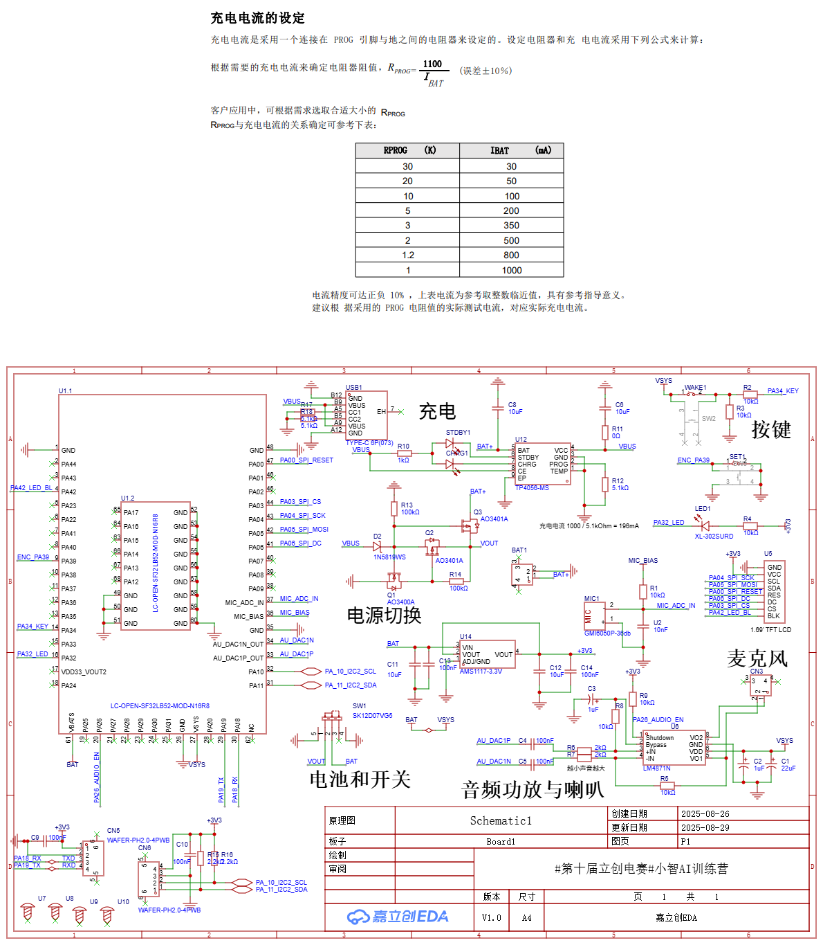
1、原理图:

2、PCB:

3、3D图

4、焊接好PCB图

5、3D外壳

*5、软件部分
直接按照官方教程烧录,使用软件是sftool:,固件版本为v1.3.3,固件地址:Releases · 78/xiaozhi-sf32,
固件烧录详细教程: sftool 工具的下载和使用 | 小智百科全书
*6、BOM清单

*7、大赛LOGO验证




* 8、演示您的项目并录制成视频上传
设计图
未生成预览图,请在编辑器重新保存一次BOM
暂无BOM
克隆工程添加到专辑
0
0
分享
侵权投诉
工程成员
知识产权声明&复刻说明
本项目为开源硬件项目,其相关的知识产权归创作者所有。创作者在本平台上传该硬件项目仅供平台用户用于学习交流及研究,不包括任何商业性使用,请勿用于商业售卖或其他盈利性的用途;如您认为本项目涉嫌侵犯了您的相关权益,请点击上方“侵权投诉”按钮,我们将按照嘉立创《侵权投诉与申诉规则》进行处理。
请在进行项目复刻时自行验证电路的可行性,并自行辨别该项目是否对您适用。您对复刻项目的任何后果负责,无论何种情况,本平台将不对您在复刻项目时,遇到的任何因开源项目电路设计问题所导致的直接、间接等损害负责。


评论