
标准版
ESP32 智能鱼缸控制板
3.0k
0
0
6
简介
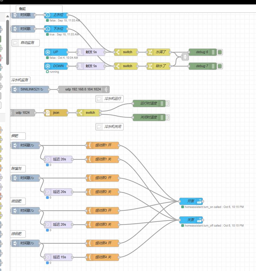
ESP32 智能草缸控制器 8路PWM 输出可调光控制灯 也可控制蠕动泵 I/O全引出 可以接水位传感器和很多18B20温度传感器 让🐟也用上智能家居
简介:ESP32 智能草缸控制器 8路PWM 输出可调光控制灯 也可控制蠕动泵 I/O全引出 可以接水位传感器和很多18B20温度传感器 让🐟也用上智能家居开源协议
:GPL 3.0
(未经作者授权,禁止转载)创建时间:2023-10-07 15:11:55更新时间:2024-06-18 16:34:21
描述
ESP32 智能草缸控制器
基于 矛盾聚合体 大佬的RGBWW五路调光驱动板魔改而来
第一次画板,多有不足欢迎大佬指出,自己用了三个月没发现啥问题,因为还不会写固件现在用的esphome加node-red和Home Assistant实现的自动化,欢迎大佬完善固件
8路PWM 输出可调光控制灯 也可当普通开关控制蠕动泵,或者接固态继电器控制220v设备 比如加热棒,冷水机,RO机
I/O全引出 可以接水位传感器和很多18B20温度传感器,接感应水位传感器或其他非3.3供电的传感器时候需要外挂个5v供电给传感器






设计图
未生成预览图,请在编辑器重新保存一次BOM
暂无BOM
克隆工程添加到专辑
0
0
分享
侵权投诉
工程成员
知识产权声明&复刻说明
本项目为开源硬件项目,其相关的知识产权归创作者所有。创作者在本平台上传该硬件项目仅供平台用户用于学习交流及研究,不包括任何商业性使用,请勿用于商业售卖或其他盈利性的用途;如您认为本项目涉嫌侵犯了您的相关权益,请点击上方“侵权投诉”按钮,我们将按照嘉立创《侵权投诉与申诉规则》进行处理。
请在进行项目复刻时自行验证电路的可行性,并自行辨别该项目是否对您适用。您对复刻项目的任何后果负责,无论何种情况,本平台将不对您在复刻项目时,遇到的任何因开源项目电路设计问题所导致的直接、间接等损害负责。


评论