
志高空调扇联网版
简介
基于雅特力AT32F421单片机加涂鸦wifi模块改装一台志高空调扇,使用涂鸦app进行局域网以及远程控制,开发方式使用SDK。
简介:基于雅特力AT32F421单片机加涂鸦wifi模块改装一台志高空调扇,使用涂鸦app进行局域网以及远程控制,开发方式使用SDK。开源协议
:GPL 3.0
描述
志高空调扇联网版
基于雅特力AT32F421单片机加涂鸦wifi模块改装一台志高空调扇,使用涂鸦app进行局域网以及远程控制,开发方式使用SDK。
空调扇外观:

开拆:



打开天灵盖:

控制板:

电机:因为上次洗时把水漏到电机,所以拆了换轴承。还有摆风电机也烧了,所以拆的比较彻底。





重点还是看板:

5个触摸按键;一个数码管,显示实时温度以及预约时间;一颗蜂鸣器,按下触摸会嘀一声;还有一堆led灯。
主控的供电是使用一种非隔离方案,交流220V转DC5.0V;
电机速度使用可控硅控制。

背面就是一颗单片机加一颗数码管驱动芯片


换轴承:


方案:有两种方案
1.是整个板子重新设计
2.在原来的板子基础上加装控制板
看了下,明显选择第二种,主要是懒的费劲,本次也只是改装而已。
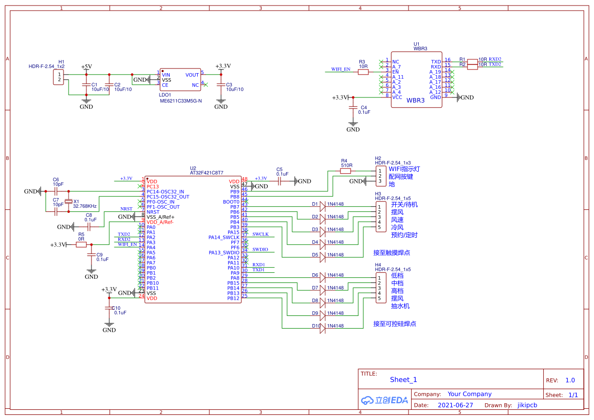
设计思路:涂鸦模块跟主控通讯,根据命令再去控制5个触摸键,同时检测所有可控硅的控制脚状态。
所以原理图如下:

单片机以及wifi模块供电是3.3V,所以全部使用4148进行隔离。
最后组装效果如下:

app控制效果:

设计图
未生成预览图,请在编辑器重新保存一次BOM
暂无BOM
克隆工程工程成员
知识产权声明&复刻说明
本项目为开源硬件项目,其相关的知识产权归创作者所有。创作者在本平台上传该硬件项目仅供平台用户用于学习交流及研究,不包括任何商业性使用,请勿用于商业售卖或其他盈利性的用途;如您认为本项目涉嫌侵犯了您的相关权益,请点击上方“侵权投诉”按钮,我们将按照嘉立创《侵权投诉与申诉规则》进行处理。
请在进行项目复刻时自行验证电路的可行性,并自行辨别该项目是否对您适用。您对复刻项目的任何后果负责,无论何种情况,本平台将不对您在复刻项目时,遇到的任何因开源项目电路设计问题所导致的直接、间接等损害负责。


评论