
标准版
48键直列键盘P48SR【stm32f072rbt6】
2.2k
0
0
4
简介
48键直列键盘:QMK固件+VIAL改键,采用STM32F072RBT6主控直连键轴设计,无需任何矩阵4148二极管,极度简化电路制作。
简介:48键直列键盘:QMK固件+VIAL改键,采用STM32F072RBT6主控直连键轴设计,无需任何矩阵4148二极管,极度简化电路制作。开源协议
:CC BY-NC-SA 3.0
创建时间:2024-10-19 08:38:37更新时间:2026-04-14 11:23:25
描述
开源声明:CC BY-NC-SA 3.0 署名+相同方式共享+非商业使用
QMK固件+VIAL改键,采用STM32F072RBT6主控直连键轴设计,无需任何矩阵二极管,极度简化电路制作。
分矮轴、标准轴两个版本,矮轴采用焊轴方式,标准轴采用热插拔方式。
一、矮轴48键直列键盘:

全1U矮轴设计,无需卫星轴,整齐划一,十字键帽。(更新:下面中间4个1U键可换成2个2U键,定位板请自己更改)

焊轴版设计,可不用定位板,type C接口居中,第二行中间两颗RGB灯作层状态与大小写指示。

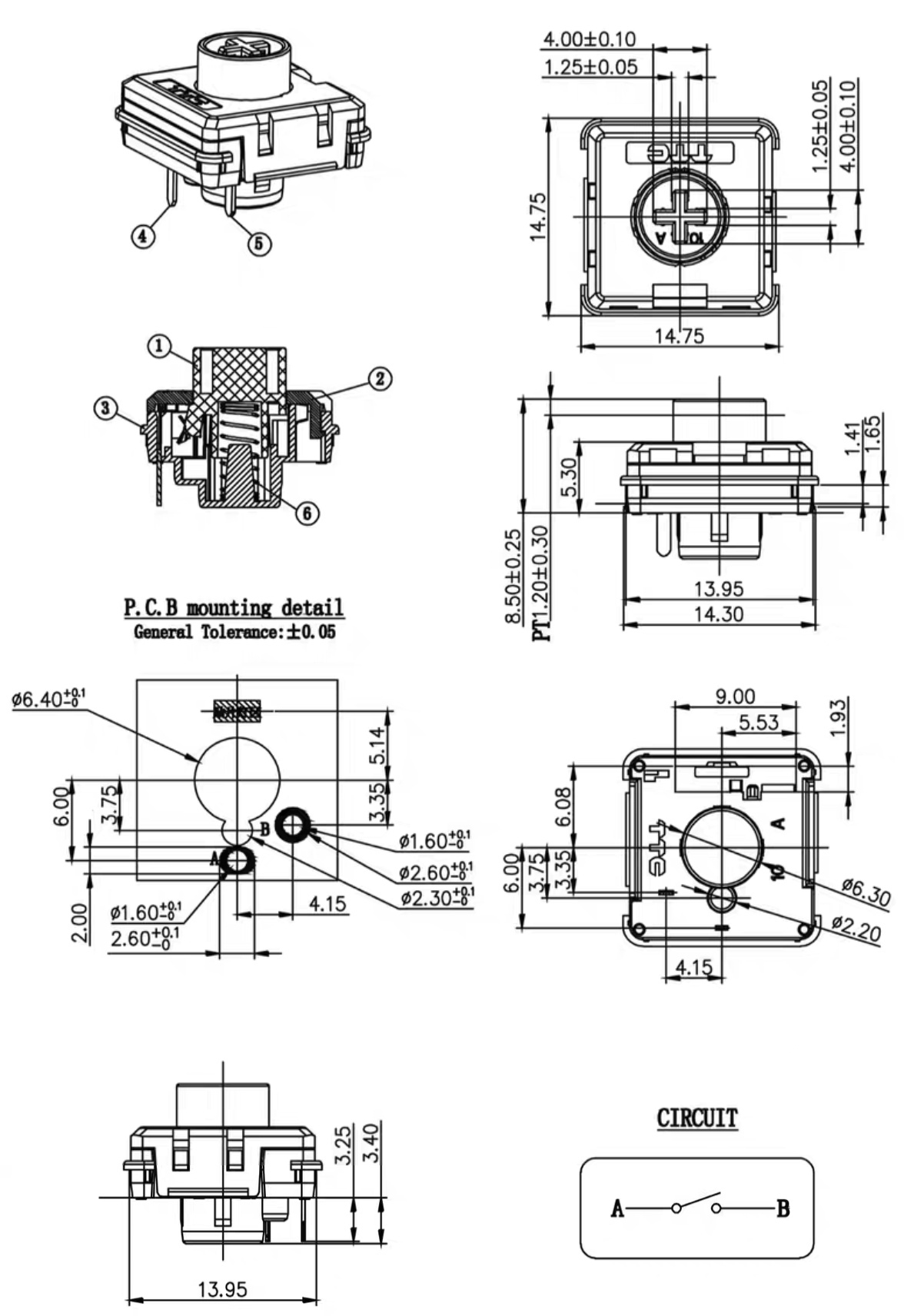
TTC矮轴尺寸图(其它矮轴可参考修改),如需设计定位板可参考图示尺寸。
附件有三明治结构的定位板、底板dxf文件,因不同工艺有可能出现误差,特别是矮轴对定位板开口要求比较严格,请自行对照键轴尺寸图确认或修改,本人不对误差产生的后果负责。
附件有固件,键位图自己通过VIAL查看、修改。

矮轴版成品
二、新增标准轴PCB,支持热插拔 。
使用相同的固件,定位板、底板未作调整,未适配固定螺丝孔,请自己修改。


标准轴热插拔成品
设计图
未生成预览图,请在编辑器重新保存一次BOM
暂无BOM
克隆工程添加到专辑
0
0
分享
侵权投诉
知识产权声明&复刻说明
本项目为开源硬件项目,其相关的知识产权归创作者所有。创作者在本平台上传该硬件项目仅供平台用户用于学习交流及研究,不包括任何商业性使用,请勿用于商业售卖或其他盈利性的用途;如您认为本项目涉嫌侵犯了您的相关权益,请点击上方“侵权投诉”按钮,我们将按照嘉立创《侵权投诉与申诉规则》进行处理。
请在进行项目复刻时自行验证电路的可行性,并自行辨别该项目是否对您适用。您对复刻项目的任何后果负责,无论何种情况,本平台将不对您在复刻项目时,遇到的任何因开源项目电路设计问题所导致的直接、间接等损害负责。


评论