
STC32G12K128转接板&STC8H8K64U核心板
简介
本次工程制作了32位的STC32G12K128转接STC51开发板和8位的STC8H8K64U核心板,走USB-HID 通信协议不需要安装任何驱动,直接使用硬件USB下载程序
简介:本次工程制作了32位的STC32G12K128转接STC51开发板和8位的STC8H8K64U核心板,走USB-HID 通信协议不需要安装任何驱动,直接使用硬件USB下载程序开源协议
:GPL 3.0
描述
32位8051单片机:国之重器 大国脊梁
STC32G12K128转接板
STC32G12K128转接板可替换早期的STC89C51/90C51系列学习板上的主控芯片,STC32G12K128芯片本身具有丰富的外设和功能,包括多种通信接口(如UART、SPI、I2C)、定时器、ADC/DAC等,转接板可以有效地将这些功能引出,方便用户直接使用。转接板通常设计为插拔式,简化了电路连接和布局,使得开发过程更加快捷和方便。
硬件电路原理图设计
STC32G12K128主控单片机电路

本转接板使用的是STC32G12K128单片机高性价比:STC32G12K128是STC微电子公司推出的一款低成本高性能的32位单片机,性价比很高,价格很便宜。具有强大的性能,搭载了32位ARM Cortex-M3内核,主频高达72MHz,具有较强的处理能力和运算性能,适合处理复杂的算法和任务。丰富的外设接口:支持多种外设接口,包括多个通用定时器、多路通道的ADC和DAC,以及丰富的通信接口如UART、SPI、I2C等,能够满足各种应用的需求。低功耗设计:采用先进的低功耗设计和技术,能够在节能方面表现出色,非常适合需要长时间运行或电池供电的应用场合。丰富的存储空间,具有大容量的Flash存储器和SRAM内存,有助于存储大量的程序代码和数据。
冷启动电路
电路冷启动指的是在电路初始启动或者重新启动时,电路中的各个元件和部件处于低温状态或者长时间处于关闭状态,因而需要特殊的措施或者设计来确保电路正常工作。这种情况通常会影响到电路中的一些参数和特性,例如电容器的电压极化状态、晶体管的工作点等,需要在电路开始运行之前进行特别的初始化或者激活步骤,以确保电路能够正常工作。

当POW按键按下的时候,AO3401A型号的PMOS断开导致MCU_VCC在C2和C3存储的电能通过R2到地加速放电,此时MCU_VCC会快速掉电,使得单片机丢电,便于单片机的USB-HID通信下载代码协议的识别和代码下载。延长元件寿命: 在冷启动状态下,设备内部的元件相对于工作状态下,其温度较低。高温会加速元件的老化和损坏,因此冷启动有助于延长电子元件的使用寿命。减少电磁干扰,冷启动时电路的稳定性较高,电流和电压的变化较为平稳,这有助于减少电路在启动过程中产生的电磁干扰,提高设备的抗干扰能力。提高系统的可靠性,通过冷启动可以在最初的运行阶段对设备进行更精确的电流和电压控制,降低由于启动过程中的电压暂态和电流冲击引起的损坏风险,从而提高整个系统的可靠性和稳定性。因此,电路冷启动在能效、元件寿命、电磁兼容性和系统可靠性等方面都具有明显的优势,是许多电子设备和系统设计中常采用的一种启动方式。
Type-C接口电路

采用16PIN的TYPE-C,支持USB3.0的协议,电路中的33欧姆的电阻是为了进行阻抗的匹配。
交互按键电路

在下载代码时,给目标芯片重新上电,不管之前是否已通电板子上的电源开关键ON/OFF按下停电,将 P32 与 GND 短接, 板子上的 P32 按键按下,然后松开上电 等待 STC-ISP 下载软件中自动识别出;识别出来后,就与 P32按键 状态无关了。此时可以松开 P32 按键。 点击下载软件中的“下载/编程”按钮(注意:与串口下载的操作顺序不同)
PCB图片展示


3D图片展示


实物展示




软件代码设计
跑马灯实验

将P2口全部配置成推挽输出模式,P2M0 = 0xFF; P2M1 = 0x00; //P2全部设置成推挽输出模式;采用移位的方式让LED跑马灯闪烁。

蜂鸣器实验

P2M0 = 0xff; P2M1 = 0x00; //设置P25为推挽输出模式;P25是蜂鸣器端口。由于蜂鸣器是无源蜂鸣器需要一定的频率才能驱动。
数码管驱动实验




本次数码管实验的是10000000自减实验,在8位数码上显示出10000000,然后进行自减。
点阵屏实验


STC8H8K64U最小核心板
STC8H8K64U是STC公司推出的一款基于8051架构的单片机产品,其最小核心板的优势主要包括以下几点:紧凑设计,最小核心板通常设计简洁紧凑,适合空间有限的应用场合,如嵌入式系统、传感器节点等。低功耗,STC8H8K64U芯片本身采用先进的低功耗技术,搭配最小核心板设计,能够实现较低的系统功耗,适合需要长时间运行且电池供电的设备。成本效益,最小核心板通常采用简化的电路设计,减少了组件数量和PCB面积,从而降低了制造成本,适合大规模生产和成本敏感型项目。易于集成和扩展,虽然是最小核心板,但通常会预留必要的扩展接口,例如GPIO、串口、SPI、I2C等,方便开发人员根据具体需求进行扩展和定制。快速开发和上市时间,最小核心板简化了硬件设计,配合STC8H8K64U单片机的丰富的软件开发工具和生态系统,能够加快产品开发周期,快速推向市场。总体来说,STC8H8K64U最小核心板以其紧凑、低功耗、成本效益高和易扩展等优势,适用于多种嵌入式应用场合,特别是对资源和功耗有严格要求的项目。
硬件电路原理图设计
单片机电路

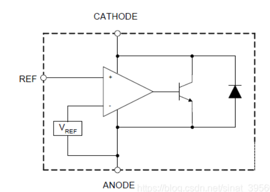
CJ431基准电压源电路

431是一个常用的稳压模块,CJ431/CD431是一个三端可调分流稳压器提供出色的温度稳定性。该器件的典型动态输出阻抗为0.2。该器件可作为齐纳二极管在许多应用中的替代品。内部结构实际上是一个自身的基准电压、一个误差放大器、一个NPN三极管和一个二极管,外部电压与内部基准电压比较后,输出高电平使三极管导通,输入电压被拉低,如此循环往复直至电压平衡,其中三极管的作用主要是限流,二极管起保护作用。

Type-C冷启动电路

当USB插上后,按下ON/OFF按键后单片机掉电下载时按一下再释放就可以冷启动,ON/OFF按下,R3加速C1、C2放电,使单片机快速掉电。
按键指示灯电路

PCB图展示


3D图展示

实物图展示





软件代码设计
跑马灯实验

B站视频链接:嘉立创&单片机创意设计大赛_哔哩哔哩_bilibili
设计图
未生成预览图,请在编辑器重新保存一次BOM
暂无BOM
克隆工程

评论