
三相逆变系统
简介
系统以STM32作为主控芯片,产生三相SPWM波并通过半桥驱动电路放大功率,经滤波后产生三相电,再通过STM32采集经前端衰减后的输出电压,通过蓝牙发送给电脑端上位机接收数据MATLAB进行谐波分析。
简介:系统以STM32作为主控芯片,产生三相SPWM波并通过半桥驱动电路放大功率,经滤波后产生三相电,再通过STM32采集经前端衰减后的输出电压,通过蓝牙发送给电脑端上位机接收数据MATLAB进行谐波分析。开源协议
:CC-BY 3.0
描述
*注 本作品获得广州市六校邀请赛一等奖,企业专项奖

图 1 逆变器系统硬件框图
2、 硬件原理图及原理说明
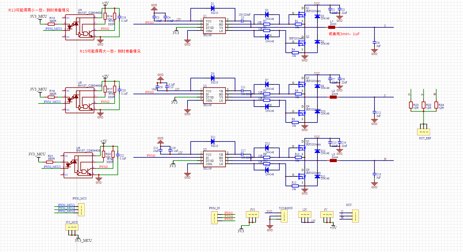
(1)驱动电路原理图

图 2 驱动电路原理图
该驱动电路采用高速光耦隔离模块6N137连接单片机和驱动电路,该光耦模块以光信号为媒介来实现电信号的耦合与传递,输入与输出在电气上完全隔离,具有抗干扰性能强的特点。对于既包括弱电控制部分,又包括强电控制部分的工业应用测控系统,采用光耦隔离可以很好地实现弱电和强电的隔离,达到抗干扰目的,电路具体原理图如下:

图 3 光耦隔离模块
驱动电路采用半桥驱动,驱动芯片采用IR2104, 此半桥电路的上下桥臂功率管是交替导通的。每当下桥臂开通,上桥臂Q1关断时Vs脚的电位为下桥臂Q2的饱和导通压降,基本上接近地电位。此时Vcc通过自举二极管对VB和VS间的自举电容C1充电使其接近Vcc电压。当Q2关断时,基于内部的CMOS结构(具体见下面内部图),HO和Vs之间断开,HO和Vb之间导通。同时,Vs端的电压会升高,由于C1电压不能突变为Vcc,Vcc与Vb间又有自举二极管,因此Vb点的电位接近于Vs点电位和C1上电压之和。所以此时Vb(HO)和Vs之间的压差就为Vcc电压,利用这个压差就可以打开上桥臂。根据芯片数据手册,IR2104的自举电容选取100nF。

图 4 半桥驱动原理图
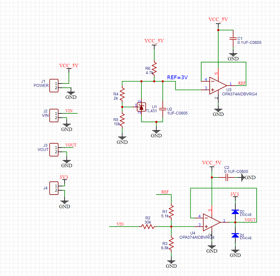
(2)ADC采样前端电路原理图
ADC前端先将负电压抬升,然后通过电压跟随器进行阻抗变换,实现将待测电压转换到0-3.3V,然后连接单片机内置ADC,进行采样。

图5 ADC采样电路前端原理图
参考源采用TL431输出稳定3V参考,原理图如下:

图 6 TL431稳压原理图
然后通过电阻网络分压和电压跟随器把电压转换到0-3.3V之内。

图 7 电阻网络分压原理图
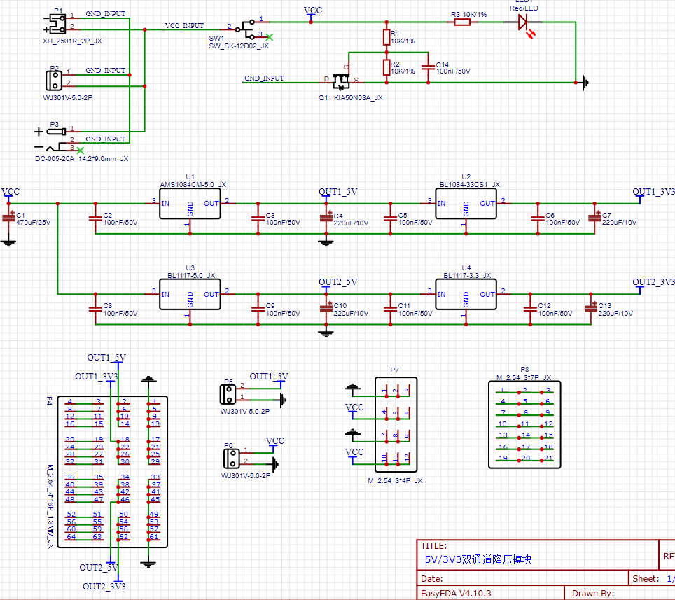
(3)系统电源方案

图 8 双通道5V/3.3V电源模块
系统电源方案如上图,输入为12V,可以输出两路5V和两路3.3V,最大电流5A,用来给单片机最小系统,光耦隔离模块,ADC前端采样电路模块,蓝牙模块等供电。
2、 软件流程框图:

图9 软件流程框图
3、 系统外观设计

图 10 系统外观设计
(1) 电源模块:左上角电源模块接12V直流电源,能够产生3.3V直流电压和5V直流电压满足不同要求
(2) stm32主控电路:右侧stm32主控电路连接了蓝牙模块和oled屏幕以及分压电路,同时控制光耦隔离+半桥驱动模块正常工作
(3) 分压电路:左侧分压电路接三相电输出端口的任意一端,经分压后与stm32片内adc连接
(4) 光耦隔离+半桥驱动模块:左下角光耦隔离+半桥驱动模块提供spwm波控制对直流电压进行逆变
(1)系统测试方案
采用一个能够产生40V以上直流电压的电压源用于驱动半桥驱动电路,一个12V直流电压源用于给主控电路供电。测试中,将直流电压给到逆变系统的输入端,并用双通道示波器测量两路相电压,调节直流电压直至相电压有效值达到12V。观察输出的峰峰值和频率,并检测两路之间的相位差,同时用万用表检测交流电压有效值均做三次测量来求取平均值作为最终结果。待adc检测完毕后,蓝牙将数据发至电脑,用matlab绘制波形并进行谐波分析,测量产生三相电的幅频曲线和总谐波失真度等参数。
(2)测试设备
一个能够产生40V以上直流电压的电压源
一个12V直流电压源
万用表
双通道示波器
(3)测试数据
直流电压为38.52V时三相电性能指标(此时相电压有效值接近12V)
表1 三相电性能指标
|
测量次数 测量项目 |
1 |
2 |
3 |
平均值 |
|
频率/Hz |
49.50 |
50.00 |
50.00 |
49.83 |
|
相位差/度 |
118.8 |
122.4 |
120.2 |
120.47 |
|
相电压峰峰值/V |
36.00 |
36.00 |
36.00 |
36.00 |
|
相电压有效值/V |
12.010 |
12.009 |
12.024 |
12.014 |
经过检测,当逆变系统输入端电压达到38.52V时,输出三相电相电压有效值达到12.0214V,且频率为49.83z,相电压间的相位差120.47°,matlab进行fft变换,得到在50Hz左右点处取得尖峰。
表2 交流电压(相电压)有效值随直流电压变换值
|
直流电压/V |
相电压有效值/V |
|
10 |
3.105 |
|
15 |
4.665 |
|
20 |
6.223 |
|
25 |
7.785 |
|
30 |
9.342 |
|
35 |
10.915 |
|
40 |
12.226 |
|
45 |
14.042 |
(4)结果分析
将检测得到的数据与题目基本要求对比,基本要求如下
a.直流电源经三相逆变电路向电阻性负载提供三相对称交流电,三相相位差120°
b.阻性负载的线电流有效值为1A时,线电压有效值为12V±1V,频率为50Hz±1Hz
实测情况,当直流电压为38.52V时,三相电相位差为120.47°,频率为49.83Hz,相电压峰峰值为36.00V,有效值为12.014V,能够较好的达到题目要求指标。
同时与提高要求相比较
按照要求选取蓝牙通讯传输数据,电脑端使用matlab接收数据并分析电压波形的幅频特性,能够分析10次以内谐波并计算10次以内谐波失真度。
(5)实现的功能(达到的指标)
1在逆变系统输入端电压达到40.5V时,输出三相电频率为50Hz,相电压间的相位差120。相电压有效值达到12V,且电流有效值为1A。
2stm32片内adc采集电压,精度为12bit。
3蓝牙通讯传输数据,matlab谐波分析,能够分析10次以内谐波,绘制幅频曲线并计算十次以内谐波失真度。
设计图
未生成预览图,请在编辑器重新保存一次BOM
暂无BOM
克隆工程知识产权声明&复刻说明
本项目为开源硬件项目,其相关的知识产权归创作者所有。创作者在本平台上传该硬件项目仅供平台用户用于学习交流及研究,不包括任何商业性使用,请勿用于商业售卖或其他盈利性的用途;如您认为本项目涉嫌侵犯了您的相关权益,请点击上方“侵权投诉”按钮,我们将按照嘉立创《侵权投诉与申诉规则》进行处理。
请在进行项目复刻时自行验证电路的可行性,并自行辨别该项目是否对您适用。您对复刻项目的任何后果负责,无论何种情况,本平台将不对您在复刻项目时,遇到的任何因开源项目电路设计问题所导致的直接、间接等损害负责。


评论