
XF2485模块SMT
简介
XF2485模组让传统的485通讯简化为两根线,实现无极性供电+通讯,二总线通讯
简介:XF2485模组让传统的485通讯简化为两根线,实现无极性供电+通讯,二总线通讯开源协议
:Public Domain
描述
1 概述
XF2485是具有内置开关键控(OOK)调制和解调功能的RS-485收发器功率IC,可以零外围电路实现电力线通信。通过将数据调制到现有电力线上,可实现在同一对导线中同时进行电力输送和数据通信,从而显著降低系统成本。
OOK 调制频率为200kHz,总线接线无极性,可简化系统安装。
XF2485模组采用集成功率芯片,无外围电路即可工作,设计极为简单,广泛应用于照明、楼宇自动化、工厂自动化与控制、HVAC 系统、电器、电网基础设施、电力输送等领域。
2特点
l 总线供电电流0.1A~12A,无极性布线,两线同时解决通信与供电
l 具有开关键控(OOK,200kHz)调制功能的RS-485电气信号,波特率≤9600bps
l TX 超时保护,以避免出现总线阻塞情况
l 总线I/O保护:±5kV ESD HBM、2kV EFT
l 通讯距离500米
l 总线供电范围DC10~48V
3简化版原理图

图1 XF2485简化版原理图
4 XF2485与RS-485比较
|
特性 |
RS-485收发器 |
XF2485 |
|
多点通信 |
有 |
有 |
|
共模噪声抗扰度 |
有 |
有 |
|
拓扑 |
菊花链 |
推荐菊花链(非标准也能解码) |
|
无极性 |
否 |
有 |
|
多点通讯 |
有 |
有 |
|
传输方向 |
半双工或全双工 |
半双工 |
|
RX阈值 |
200mV |
150mV~250mV |
|
节点数上限 |
256 |
256 |
5 引脚定义

图2 XF2485模组引脚图
表1 XF2485模组引脚说明表
|
引脚 |
名称 |
端口 |
说明 |
|
1 |
BUS_P |
总线输入/输出 |
总线端口,无极性 |
|
2 |
NC |
|
留空 |
|
3 |
NC |
|
留空 |
|
4 |
BUS_N |
总线输入/输出 |
总线端口,无极性 |
|
5 |
GND |
地 |
设备供电地 |
|
6 |
XM_TXD |
数字信号输出 |
接收总线数据,接单片机串口RX,注意电平转换 |
|
7 |
XM_RXD |
数字信号输入 |
向总线发数据,接单片机串口TX,注意电平转换 |
|
8 |
VCC |
电源 |
电压输入:4.0V~5.5V,强烈推荐5.0V |
6 电气参数
表2 XF2485模组极限值
|
Parameter |
Symbol |
Min |
Max |
Unit |
|
DC power supply |
VDD-VSS |
-0.3 |
5.5 |
V |
|
Voltage on function pin |
-- |
-0.3 |
VCC+0.3 |
V |
|
Storage temperature |
ST |
-55 |
+125 |
℃ |
|
Operating temperature |
TA |
-40 |
+85 |
℃ |
|
ESD HBM |
VHBM |
±5000 |
-- |
V |
|
ESD MM |
VMM |
±400 |
-- |
V |
表3 XF2485模组额定值
|
Symbol |
Parameter |
Specification |
Test Condition |
|||
|
Min. |
Typ |
Max. |
Unit |
|||
|
VDD |
Operating Voltage |
4.0 |
5.0 |
5.5 |
V |
5.0V |
|
ICC |
Operating Current |
17.5 |
20.0 |
-- |
mA |
5.0V |
|
RXD/TXD_IL |
URX Input Low |
-- |
0.8 |
1.2 |
V |
5.0V |
|
RXD/TXD_IH |
URX Input High |
1.8 |
-- |
-- |
V |
4.0V |
|
RXD/TXD_IH |
URX Input High |
2.2 |
-- |
-- |
V |
5.0V |
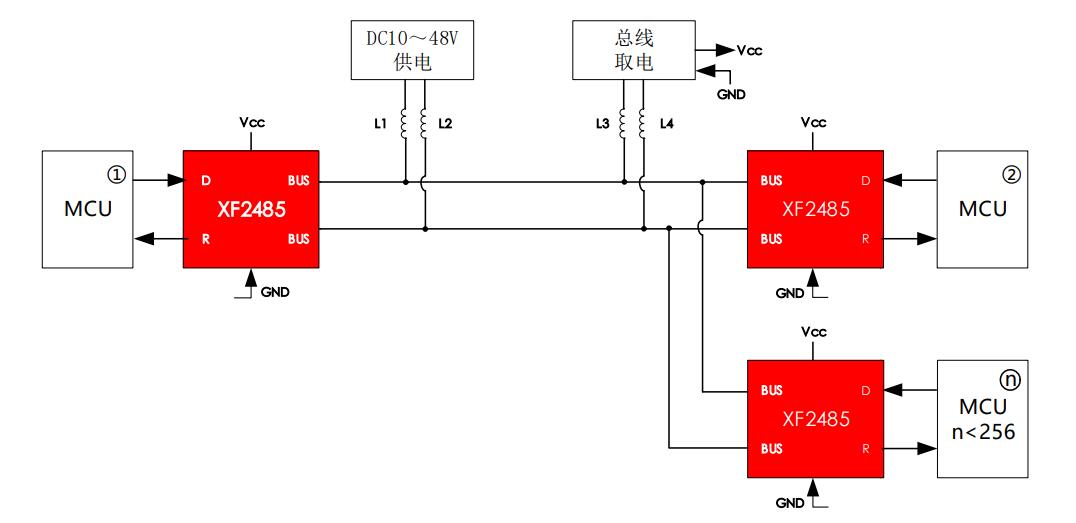
7 典型应用电路
Supply为总线供电电源 ,通过2个电感L1给总线供电;
节点内部通过2个Ln, 经过整流桥及LDO线性稳压器输出VOUT,给XF2485模组供电, VOUT也可以给单片机供电,实现无极性取电,A/B本身支持无极性通讯。
R为总线数据输出,接单片机RX,D为总线数据输入,接单片机TX。

图3 典型应用图
总线电感L1~Ln选值为33uH,请勿变更其参数。
8模组原理图
图4 XF2485模组原理图
表4 XF2485模组物料清单
|
Comment |
Description |
Designator |
Footprint |
Quantity |
|
10nF (103) 10% 50V |
贴片电容 |
C1, C5 |
0805_C |
2 |
|
10nF (103) 10% 50V |
贴片电容 |
C6, C8, C10 |
0402_C |
3 |
|
100nF (104) 10% 16V |
贴片电容 |
C7, C9 |
0402_C |
2 |
|
BZT52C2V0S |
稳压二极管 |
D8 |
SOD-323 |
1 |
|
Header 4 |
端子2.54mm |
P2, P3 |
HDR1X4 |
2 |
|
47Ω (47R0) ±5% |
贴片电阻 |
R2 |
0402_R |
1 |
|
5.1KΩ (5101) ±5% |
贴片电阻 |
R4 |
0402_R |
1 |
|
1KΩ (1001) ±5% |
贴片电阻 |
R5, R6 |
0402_R |
2 |
|
LMBT3946DW1T1G |
双三极管 |
U1, U2 |
SC-70-6(SOT-363) |
2 |
|
XF2485 |
XM2BUS总线通讯 |
U3 |
SOIC-8_150mil |
1 |
设计图
未生成预览图,请在编辑器重新保存一次BOM
暂无BOM
克隆工程知识产权声明&复刻说明
本项目为开源硬件项目,其相关的知识产权归创作者所有。创作者在本平台上传该硬件项目仅供平台用户用于学习交流及研究,不包括任何商业性使用,请勿用于商业售卖或其他盈利性的用途;如您认为本项目涉嫌侵犯了您的相关权益,请点击上方“侵权投诉”按钮,我们将按照嘉立创《侵权投诉与申诉规则》进行处理。
请在进行项目复刻时自行验证电路的可行性,并自行辨别该项目是否对您适用。您对复刻项目的任何后果负责,无论何种情况,本平台将不对您在复刻项目时,遇到的任何因开源项目电路设计问题所导致的直接、间接等损害负责。


评论