
【已验证】用于树莓派Zero2W的双口USB扩展板V0.1
简介
用于树莓派Zero 2W的廉价USB 2.0Hub,使用顶针与树莓派连接,免去使用microUSB OTG线的困扰。 自己没事干画着玩的一个小板子,然后随手做了出来,嘿,还真能用。
简介:用于树莓派Zero 2W的廉价USB 2.0Hub,使用顶针与树莓派连接,免去使用microUSB OTG线的困扰。 自己没事干画着玩的一个小板子,然后随手做了出来,嘿,还真能用。开源协议
:GPL 3.0
描述
# 0、项目起因
过年了,给自己买个Raspberry Pi Zero 2 W作为小礼物,顺带学学怎么折腾这东西。
很久以前买过一个树莓派1B,但那个因保存不当被咱弄坏了,之后就一直尘封。树莓派Zero刚出的时候,咱就被它的小巧惊艳到了,但那时候自己没钱,叠加当年pandemic时期树莓派成为理财产品的因素,就一直观望,没入手。
树莓派Zero系列啥都好,但它使用的micro USB接口在现在看来有些过时;接键鼠的时候,必须使用microUSB OTG线,久而久之,容易造成OTG接口松动,况且本身拖着一堆dongle放在桌子上也不好看。(关键是现在谁还用microUSB OTG啊ヽ(≧□≦)ノ)
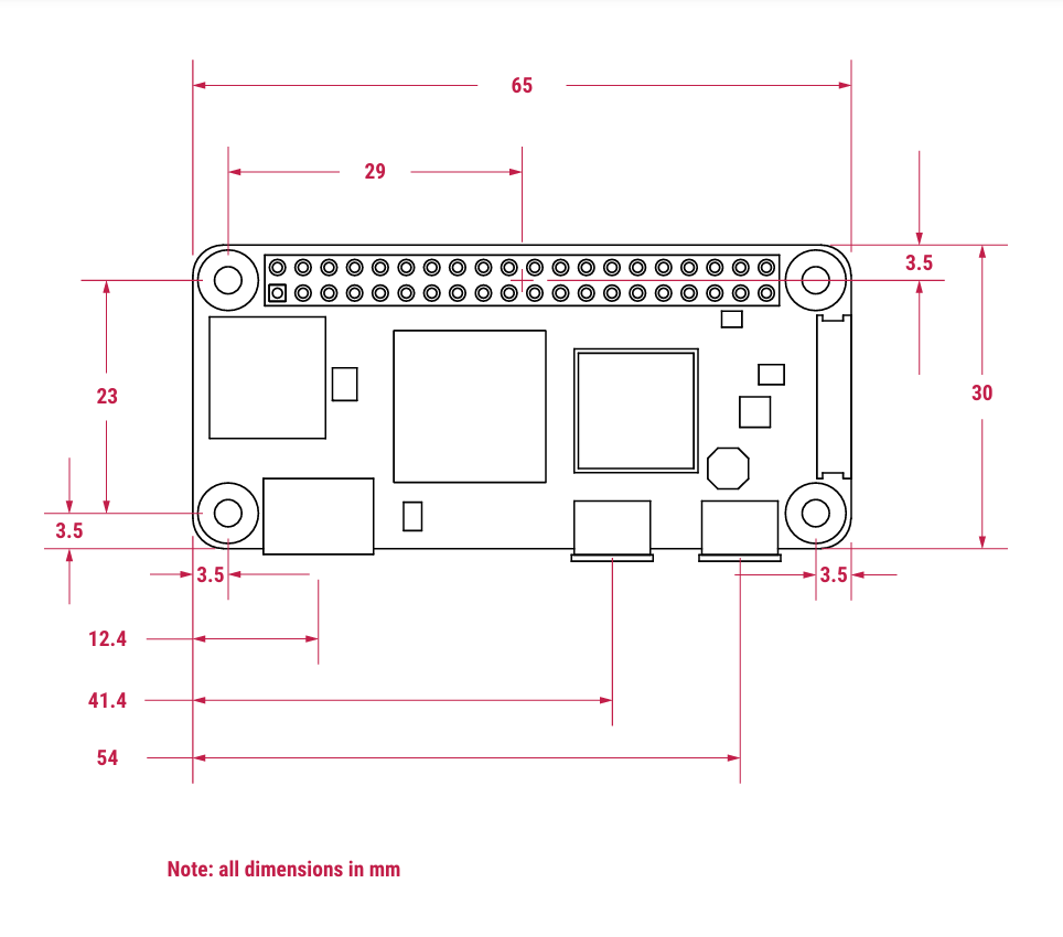
查阅文档发现,Raspberry Pi Zero 2 W有丰富的Testpad,并且官方给出了Testpad的准确位置,那就不妨直接利用Testpad引出两个USB-A母口备用了。
# 1、准备工作
o((>ω< ))o从树莓派官方网站找到Raspberry Pi Zero 2 W的文档: 树莓派官方文档网址
在该网址内,找到Test Pad Locations和Mechanical Drawings后,就可以愉快地准备画自己的PCB板啦 o(* ̄▽ ̄*)ブ


# 2、器件选型/材料购买
该项目的核心器件为SL2.1A USB Hub芯片。作为常见的USB2.0扩展芯片,咋用感觉应该不用多说,直接上数据手册 查看即可。
其实电路图也是直接抄的示例电路诶嘿( ̄▽ ̄)"
为了让树莓派zero也能用上TypeC供电,咱还在该扩展坞上专门设计了一个6Pin Type C接口专门用于供电,或许也能拖一些大电流的外设?咱还没试过= ̄ω ̄=
购买螺柱的时候,需要注意四角螺柱是M2.5规格的,螺柱高度根据自己采购的探针(POGO Pin)高度来(不然会接不上啊喂
这个设计里封装规格不统一是为了消耗一下咱自己的库存零件ε=ε=ε=(~ ̄▽ ̄)~
# 3、PCB设计
进行PCB设计的时候,要特别注意各个探针(POGO Pin)的位置,但按照Documentation来就问题不大。...(* ̄0 ̄)ノ
注意四角螺柱是M2.5规格的。
# 4、焊接调试
这个好像没啥可说的……
# 5、成品展示
请忽略咱的渣焊工…… {{{(>_<)}}}


再放两张组装完全体照片~


完事就可以愉快使用了~
设计图
未生成预览图,请在编辑器重新保存一次BOM
暂无BOM
克隆工程知识产权声明&复刻说明
本项目为开源硬件项目,其相关的知识产权归创作者所有。创作者在本平台上传该硬件项目仅供平台用户用于学习交流及研究,不包括任何商业性使用,请勿用于商业售卖或其他盈利性的用途;如您认为本项目涉嫌侵犯了您的相关权益,请点击上方“侵权投诉”按钮,我们将按照嘉立创《侵权投诉与申诉规则》进行处理。
请在进行项目复刻时自行验证电路的可行性,并自行辨别该项目是否对您适用。您对复刻项目的任何后果负责,无论何种情况,本平台将不对您在复刻项目时,遇到的任何因开源项目电路设计问题所导致的直接、间接等损害负责。


评论