
开源协议
:GPL 3.0
描述
* 1、项目功能介绍
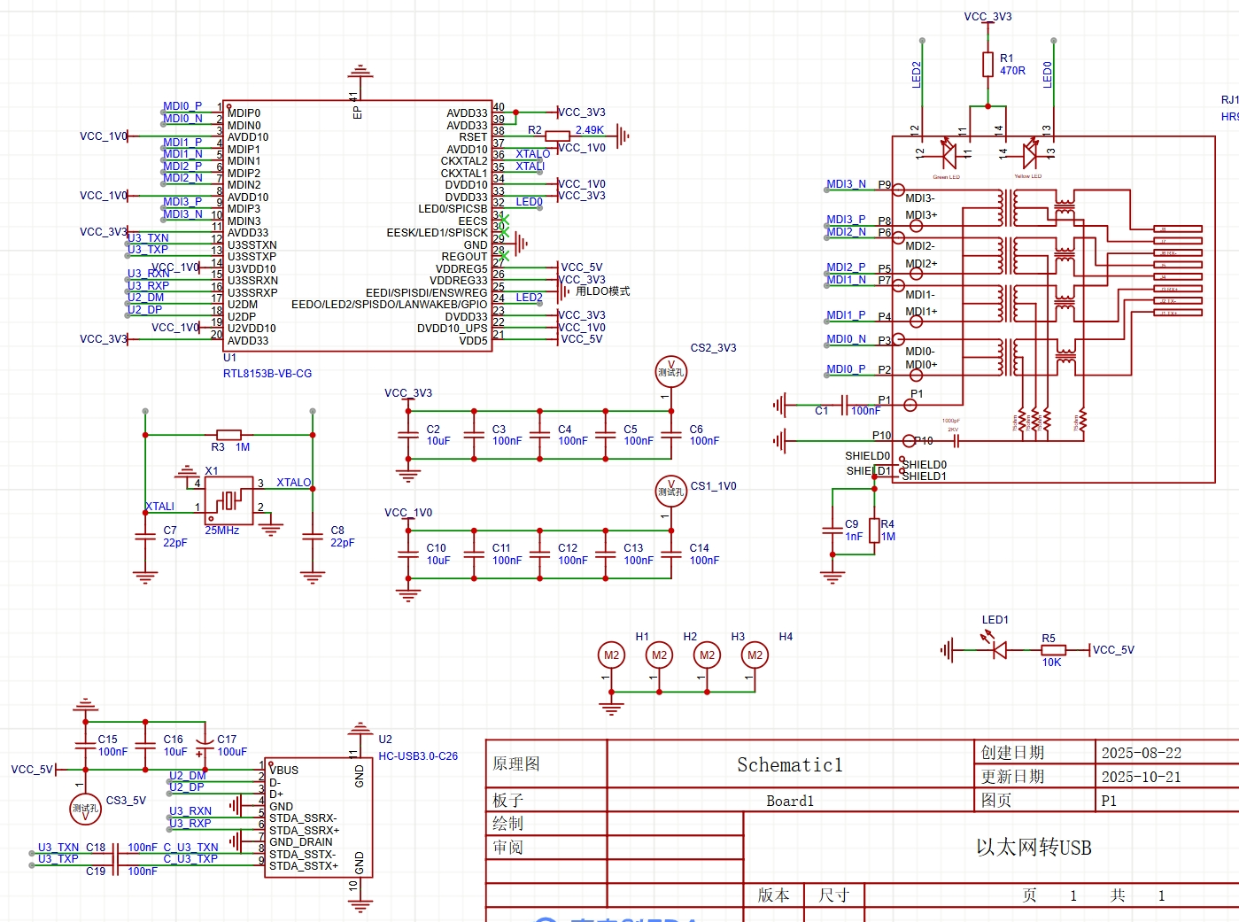
基于RTL8153B的千兆网卡,用于没有RJ45接口或者自带接口坏掉的笔记本电脑,可以让笔记本正常与千兆网络连接。
*2、项目属性
未开源
未评奖、获奖
原创工程
* 3、开源协议
GPL3.0
*4、硬件部分
主要原理图:

注意事项:
1、时钟晶振为25MHz,不同晶振的负载电容不同,根据你买到的晶振的数据手册选择
2、网卡芯片的38号脚要接一个精度高的2.49K参考电阻
3、网卡芯片集成DCDC电源和LDO,本设计除了5V,其他电源均用芯片的内置LDO供电
4、网卡内置电源不能大电流供电!!!
PCB部分:
1、采用嘉立创3313结构的4层板
2、保留完整的参考地平面
3、RJ45端口下要挖空铜皮,因为用的是自带变压器的RJ45端子,避免干扰
4、芯片长期使用会发烫,散热要做好,如果有散热片最好。主包懒,直接在芯片下面开窗散热了
5、信号线尽量不要打孔
6、USB3.0要90欧的阻抗匹配,以太网要100欧的阻抗匹配
实物如下:

*5、软件部分
本网卡无需代码配置,即插即用
另外有些笔记本识别不了的,可以下载驱动
网卡驱动在附件
*6、BOM清单
请输入内容…
注:项目涉及的BOM清单。在嘉立创EDA 生成/上传设计文件后,BOM将自动生成至项目详情;建议包括型号、品牌、名称、封装、采购渠道、用途等内容。具体内容和形式应以表达清楚项目构成为准。
*7、大赛LOGO验证


* 8、演示您的项目并录制成视频上传
视频要求:请横屏拍摄,分辨率不低于1280×720,格式Mp4/Mov,单个视频大小限100M内;
视频标题:立创电赛:{项目名称}-{视频模块名称};如立创电赛:《自动驾驶》-团队介绍。
设计图
未生成预览图,请在编辑器重新保存一次BOM
暂无BOM
克隆工程知识产权声明&复刻说明
本项目为开源硬件项目,其相关的知识产权归创作者所有。创作者在本平台上传该硬件项目仅供平台用户用于学习交流及研究,不包括任何商业性使用,请勿用于商业售卖或其他盈利性的用途;如您认为本项目涉嫌侵犯了您的相关权益,请点击上方“侵权投诉”按钮,我们将按照嘉立创《侵权投诉与申诉规则》进行处理。
请在进行项目复刻时自行验证电路的可行性,并自行辨别该项目是否对您适用。您对复刻项目的任何后果负责,无论何种情况,本平台将不对您在复刻项目时,遇到的任何因开源项目电路设计问题所导致的直接、间接等损害负责。


评论