
项目5 USB集线器电路
简介
该工程为《PCB设计技术》教材的项目5 USB集线器电路
简介:该工程为《PCB设计技术》教材的项目5 USB集线器电路开源协议
:GPL 3.0
描述
一、项目简介
USB集线器(USB Hub)是一种可以将单个USB接口扩展为多个,并可以同时使用的装置。
电路以NEC公司的uPD720114专用芯片为核心;电源电压(5V_USB)由USB口进入,经过LM1117稳压芯片降低至3.3V作为芯片的工作电压(3.3V_USB),该5V电压还送到芯片和4个USB接口,芯片内部自带电源部分,得到另外一个2.5V的电压(VDD25OUT)给自身某些部件供电;电路采用贴片晶振提供时钟信号。
图1 USB集线器电路结构
二、原理介绍
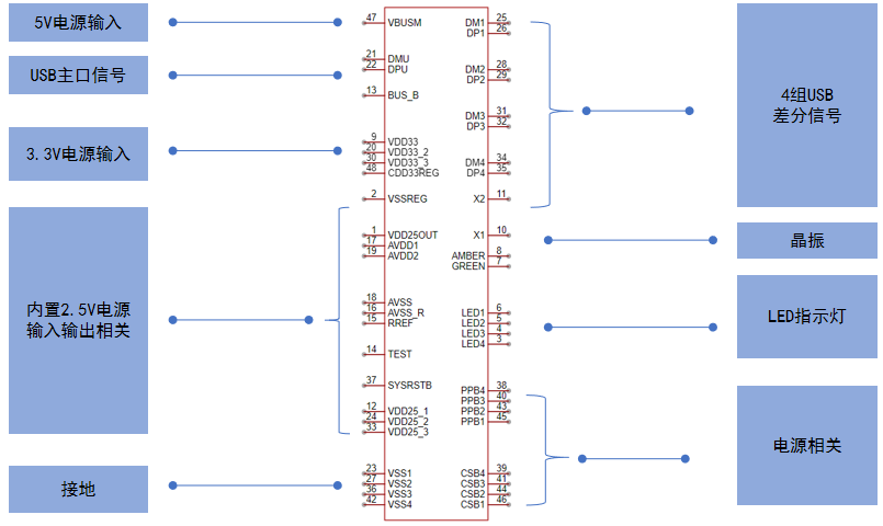
uPD720114芯片采用QFP(Quad Flat Package,方形扁平封装),引脚从芯片体四周伸出,数量多达48个,芯片数据手册中给出的引脚分布如图2-1所示。

图2-1 uPD720114芯片引脚分布
针对该芯片的封装逻辑,可以将芯片的逻辑封装与实际引脚分布一致,计成引脚四边分布的形式;也可以将相同功能类型的引脚分布在一起,并按照从左到右的顺序放置引脚,得到左右功能分布的形式。
图2-2 逻辑封装连线拓扑
uPD720114芯片的引脚数量较多,按功能分布的形式是更好的选择,如图2-3所示。
图2-3 一种uPD720114芯片的逻辑封装设计方案
LM1117是一个高精度低压差线性稳压芯片系列,包含1.25~13.8V的输出电压范围可调电压的型号,以及1.8V、2.5V、2.85V、3.3V和5V固定电压输出的型号。在本项目电路中,电源来自USB接口的5V电压,芯片工作需要3.3V电压,需求明确,因此可以选择3.3V固定电压输出的型号(LM1117MPX-3.3)。

图2-4 LM1117MPX-3.3芯片外形
表1 LM1117MPX-3.3芯片引脚说明
| 引脚 | 类型 |
功能描述 |
|
| 名称 | 序号 | ||
| ADJ/GND | 1 | —— | 可输出调整端/固定输出接地端 |
| INPUT | 3 | 输入 | 芯片的输入电压引脚 |
| OUTPUT/VOUT | 2,4 | 输出 | 芯片的输出电压引脚 |
本项目使用到了两种USB 2.0连接座:一种是A型90°弯折的母座, 另一种是A型180°直插的母座。插座的1~4号引脚分别是电源、差分负信号、差分正信号和地,元件体两端是外壳接地的引脚。两种插座的区别在于USB线或者设备的接入角度。
图2-5 两种A型USB连接座的引脚分布
因此,两种USB连接座的逻辑封装可以是相同的,一种设计方案如图2-6所示。该方案为了达到更高的美观度,在设计时隐藏了各引脚名称,用文本的形式标注。注意在放置文本时需要暂时关闭栅格,才能实现精准放置。
图2-6 一种USB连接座的逻辑封装设计方案
设计图
未生成预览图,请在编辑器重新保存一次BOM
暂无BOM
克隆工程知识产权声明&复刻说明
本项目为开源硬件项目,其相关的知识产权归创作者所有。创作者在本平台上传该硬件项目仅供平台用户用于学习交流及研究,不包括任何商业性使用,请勿用于商业售卖或其他盈利性的用途;如您认为本项目涉嫌侵犯了您的相关权益,请点击上方“侵权投诉”按钮,我们将按照嘉立创《侵权投诉与申诉规则》进行处理。
请在进行项目复刻时自行验证电路的可行性,并自行辨别该项目是否对您适用。您对复刻项目的任何后果负责,无论何种情况,本平台将不对您在复刻项目时,遇到的任何因开源项目电路设计问题所导致的直接、间接等损害负责。


评论