
专业版
河流桌感应模块
6.4k
0
0
21
简介
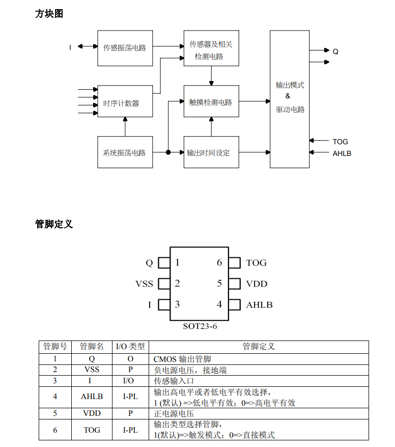
TTP223是触摸键检测IC,提供1个触摸键。触摸检测IC是为了用可变面积的键取代传统的 按钮键而设计的。低功耗和宽工作电压是触摸键的DC和AC特点
简介:TTP223是触摸键检测IC,提供1个触摸键。触摸检测IC是为了用可变面积的键取代传统的 按钮键而设计的。低功耗和宽工作电压是触摸键的DC和AC特点开源协议
:LGPL 3.0
创建时间:2023-06-02 14:44:47更新时间:2023-07-04 16:22:10
描述
更新模式选择,提搞稳定性,已经打板验证
设计图
未生成预览图,请在编辑器重新保存一次BOM
暂无BOM
克隆工程添加到专辑
0
0
分享
侵权投诉
工程成员
知识产权声明&复刻说明
本项目为开源硬件项目,其相关的知识产权归创作者所有。创作者在本平台上传该硬件项目仅供平台用户用于学习交流及研究,不包括任何商业性使用,请勿用于商业售卖或其他盈利性的用途;如您认为本项目涉嫌侵犯了您的相关权益,请点击上方“侵权投诉”按钮,我们将按照嘉立创《侵权投诉与申诉规则》进行处理。
请在进行项目复刻时自行验证电路的可行性,并自行辨别该项目是否对您适用。您对复刻项目的任何后果负责,无论何种情况,本平台将不对您在复刻项目时,遇到的任何因开源项目电路设计问题所导致的直接、间接等损害负责。

更新模式选择,提搞稳定性,已经打板验证
评论