
2025-D题国一-简易以太网双绞线测试仪
简介
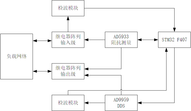
本项目使用AD5933阻抗转换器制作。该分析仪主要由STM32F407微控制器、AD5933测量芯片、继电器矩阵、OLED显示模块、AD9959信号发生模块及检波部分构成。
简介:本项目使用AD5933阻抗转换器制作。该分析仪主要由STM32F407微控制器、AD5933测量芯片、继电器矩阵、OLED显示模块、AD9959信号发生模块及检波部分构成。开源协议
:GPL 3.0
(未经作者授权,禁止转载)描述
一、团队介绍
来自山西大学的物电三宝,给大家带来2025年全国大学生电子设计大赛D题——网络线缆测试仪的开源项目!
二、题目要求
设计并制作一个简易以太网双绞线测试仪(简称测试仪)。

1.基本要求
(1)按键切换两种工作模式和显示界面:“双端检测”、“单端检测”。
(2)“双端检测”模式。要求测量并显示线缆的线对连接关系(直连、交叉)、 类型(UTP、SFTP)、直流电阻值(长度范围1m~50m、相对误差的绝对值不大于 D - 1 / 3 10%),测量时间不超过5s。
(3)“单端检测”模式。要求测量并显示线缆长度(长度范围10m~50m、相对 误差的绝对值不大于5%),检测线缆是否存在线对间短路,测量、检测时间分别 不超过5s。
2.发挥部分
(1)“双端检测”模式。要求测量并显示线缆对在30MHz频率处的交流衰减 dB值(长度范围10m~50m、相对误差的绝对值不大于10%),测量时间不超过5s。
(2)“单端检测”模式。要求测量并显示线缆长度(长度范围1m~50m、相对 误差的绝对值不大于1%),测量时间不超过5s。
(3)“单端检测”模式。要求测量并显示线缆的短路位置(长度范围1m~50m、 相对误差的绝对值不大于1%),测量时间不超过5s。
(4)其他。
三、设计摘要
本项目使用AD5933阻抗转换器制作。该分析仪主要由STM32F407微控制器、AD5933测量芯片、继电器矩阵、OLED显示模块、AD9959信号发生模块及检波部分构成。利用AD5933的高精度测量能力,通过按键切换“双端检测”和“单端检测”两种工作模式,实现对以太网双绞线的线对连接关系、类型(UTP、SFTP)、直流电阻、线缆长度及短路位置等参数的测量,同时使用AD9959发生信号,配合检波电路对线缆的交流衰减进行测量。同时该测试仪供电为5V单电源,符合要求。本测试仪测量速度快且精度高,能有效完成对以太网双绞线的各项检测任务。
四、题目分析
在基础部分的要求中,单双端界面切换部分,只需设计屏幕页面及程序切换的功能。
“双端检测”下,需要判断出网线的线对连接关系(交叉、直连)、线缆类型(UTP、SFTP)。这两种判断要求,可通过简单的单片机“开关”类应用实现。需要系统能够进行连接关系的判断。
“双端检测”下,测量线缆的直流电阻值(1~50m,误差小于10%);发挥部分提高精度到1%。需要系统具有阻抗测量的能力。
“单端模式”下,测量并显示线缆长度(10~50m,误差小于10%),发挥部分将线缆长度范围扩大至1~50m,并进一步提高精度到1%。因为单端模式下另一端是悬空状态,需要系统能够实现一端悬空情况下的长度测量。
“单端模式”下,检测线缆是否存在短路。发挥部分能够显示出短路长度,范围在1~50m内。此项要求说明单端连接情况下存在短路的情况,这需要设计的系统能够判断出短路线对,并能够选择正常的线对进行除短路相关的其他测量,要求系统能够实现每一对线对的检测。可使用4套测量子系统,也可使用1套测量子系统,辅以切换电路来实现测量。对于短路线对的测量,可通过“开关”类应用实现,但综合题目其他要求分析,可与阻抗测量相结合,如若线对间存在短路,即可通过阻抗数据的判断来实现短路情况的判断。
以上所有测量、检测均要求5S以内完成。
针对以上问题,大致总结四种设计需求
1. 线对连接关系与屏蔽层检测
2. 双端状态下的阻抗测量、单端短路情况的判断以及短路位置的测量(短路位置通过测量到的阻值体现)
3. 单端状态下的线缆长度测量
4. 线缆对30MHz的衰减情况
五、总体设计框图

六、硬件电路组成
AD5933原理分析
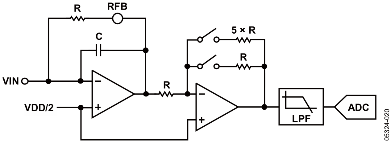
AD5933是一款高精度的阻抗转换器系统芯片,它采用了一种间接测量的方法,通过激励信号、测量响应和数字信号处理相结合来测量复数阻抗(包含实部和虚部,即幅度和相位)。其核心工作部分主要包括激励信号生成(DDS&输出放大器)、外部阻抗网络、响应信号测量(输入放大器&ADC)、数字信号处理(DFT)
AD5933结构示意图
使用AD5933芯片测量阻抗,通过I2C接口设置所需的起始频率、频率增量和频率点数。芯片内部的DDS根据设置,产生一个高精度、高稳定度的正弦波数字信号。该数字信号再经过片内DAC转换为模拟正弦波,即Vout,而Vout再通过、可编程增益输出放大器放大后,输出到外部电路。
放大的激励电压 (Vout) 施加到一个由待测未知阻抗 (Zunknown) 和一个已知的串联反馈电阻 (Rfb) 组成的简单电路上,构成一个跨阻放大器或简单的串联回路。信号经过这个网络后,输入给接收级。
接收级由电流电压放大器、可编程增益放大器(PGA)、抗混叠滤波器和ADC(从左到右)组成。
AD5933接收级示意图
电流电压放大器的增益由接在引脚4(Rfb)和引脚5(VIN)之间的反馈电阻决定。电流电压放大器的增益必须与所选的PGA级增益一同确保信号在ADC的线性范围(0V至VDD)以内。
而PGA可通过程序内设置将电流电压放大器的输出放大5倍或1倍。最后该信号经过两级放大后,再经过低通滤波,输入给12Bit、1MSPS的ADC。ADC输出的数字数据被直接送至AD5933的DSP内核,对采样数据执行DFT处理。
输入级的信号经过DFT处理可以得到以下数据
已知的激励信号Vout(幅度和相位,实际应用中通常取其峰值或RMS值作为标量参考)。
响应信号Vfb的实部和虚部(Re_Vfb、Im_Vfb),代表流过Rfb的电流I的幅度和相位信息。
根据电路理论(欧姆定律或复数除法),可以计算出待测阻抗
(这是最常见的跨阻放大器配置下的公式)
因此利用DFT的结果可以得到响应电流I(f)的复数表示为:
![]()
激励电压Vout(f)通常是已知的标量(例如其峰值Vout_peak),相位设为0°作为参考。待测阻抗为:

计算得到的Zunknown也是一个复数,包含实部(Re_Z)和虚部(Im_Z)。其幅度
![]()
相位
![]()
从而可以正确算出阻抗幅度(Z和阻抗相位角度(θ,单位弧度)之后,便可以将阻抗幅度矢量投影到实部和虚部阻抗轴上,以确定未知阻抗的实部(电阻)和虚部(电抗)的幅度,计算公式如下:
实部通过下式计算:
![]()
虚部通过下式计算:
![]()
进而可以由未知阻抗的电阻与电抗分量确定双绞线双端与单端的各项数据。
5933小阻值测量优化
AD5933片上集成了频率发生器、12位,1MSPS的模数转换器(ADC)。具体测量过程为,使用频率发生器产生信号,信号输出激励外部复阻抗,外部阻抗的响应信号经片内运放进行放大处理后由片上ADC进行采样,再经由片上DSP进行离散傅里叶变换(DFT)处理。DFT算法在每个频率上返回一个实部(R)数据字和一个虚部(I)数据字。
校准之后,很容易算出各扫描频率点的阻抗幅度和相对相位。计算是利用实部和虚部寄存器内容在片外完成,寄存器内容可以从串行I2C接口读取。
查阅芯片手册可知,AD5933芯片受限于芯片自身驱动能力的限制,在无外挂电路的情况下只能测量低至1KΩ,高至10MΩ的电阻。在使用外挂驱动电路的情况下,可实现100Ω至1KΩ电阻的测量,但测量范围的最小值仍远大于网线阻值,需要进一步改造适配网线阻值。在测量网线阻值时,需要进一步降低测量范围实现低阻值,而在单端检测时,通过测量网线电容来实现网线长度的判断,所以需要提高测量范围的最大值。
考虑到时间紧迫,从加大驱动、搭建电阻网络两方面优化电路。
查阅手册可知[1],AD5933在四种模式下均存在内阻,且为200Ω至2.5KΩ不等,相较于网线电阻,由输出阻抗引入的系统误差较大。为减小此误差,使用外挂一级运放电路实现内阻的减小。理论上输出电流小于运放输出最大电流时,系统输出内阻可近似为零,最大限度减小内阻对测量的影响。

AD5933芯片低阻值测量架构
参考芯片手册示例电路,我们在R1=1K,R2=100K,Rfb=10K的情况下,初步实现了低至100Ω阻抗的测量。在此基础上,通过搭建串并联电阻网络,实现线缆电阻的测量。

串并联电阻网络
Rs串联电阻选取100R,在组织测量的情况下,等效于扩大待测电阻的阻值,使待测电阻大于最小量程;Rp并联电阻选取1K,在开路即线缆长度测量的情况下,等效于减小待测电阻的阻值,使待测电阻小于最大量程,以实现容值的测量。
在进一步测量中发现,在电流很小的情况下,待测电阻网络处于高阻态,易引入外部干扰,同时由于输入级放大倍数较大,也会将引入的干扰放大,使电阻测量误差变大。但若一味增大工作电流,芯片及待测线缆在测量过程会中发热,使得测量值难以稳定。据此我们减小输出运放的衰减倍数,来适当增加工作电流;同时改变输入级反馈电阻,减小输入级放大倍数,使得最终测量的信号与改造前大致相同,减小后期调试难度。
综合考虑大电流的热效应及小电流的高阻态引入较多干扰,最终选取R1=10K,R2=100K,Rfb=1K。
30MHz阻抗测量
对于30MHz的信号,使用普通ADC方法采集、分析测量衰减难度较高。使用高速ADC又需要大量的单片机资源。故使用AD8361检波器来实现测量。AD8361最高输入信号可达2.5 GHz,在高频接收机和发射机信号链中有着广泛的应用;且使用非常简单,大部分应用中仅需2.7 V至5.5 V的单电源,供电条件有利于达到题目要求。输出为线性响应直流电压,转换增益为7.5 V/V均方根值,可使用单片机ADC直接采集分析。这里DDS使用的是AD9959模块产生30MHz的信号,该模块输出阻抗为50Ω。
「STM32F407ZGT6最小系统板 STM32核心板ARM 普中开发板 T100送资料」

【淘宝】7天无理由退货 https://e.tb.cn/h.SavmdT4FgamYGQX?tk=x48r4Jh6oZh CZ001 「STM32F407ZGT6最小系统板 STM32核心板ARM 普中开发板 T100送资料」
点击链接直接打开 或者 淘宝搜索直接打开
「AD9959模块 高速DDS模块 四通道200M 带4个射频变压器 信号发生器」

【淘宝】7天无理由退货 https://e.tb.cn/h.SaHrpaLn9paEZwt?tk=n2dF4JU9wTV CZ321 「AD9959模块 高速DDS模块 四通道200M 带4个射频变压器 信号发生器」
点击链接直接打开 或者 淘宝搜索直接打开
「AD8361模块 低频至2.5GHz 有效值检测 均值响应功率检波器 射频」

【淘宝】7天无理由退货 https://e.tb.cn/h.SaHHfHFK3O5CE2s?tk=fthn4JUlqBx CZ001 「AD8361模块 低频至2.5GHz 有效值检测 均值响应功率检波器 射频」
点击链接直接打开 或者 淘宝搜索直接打开
在低频电路中,导线可以看作是理想的,电压和电流在整条线上是同时存在的。但当信号频率高到一定程度(例如30MHz),波长(在空气中为10米)与传输线的物理长度可比拟时,传输线就不能再被看作是一根简单的导线,而必须被当作一个分布参数电路。
只有当阻抗匹配(让源阻抗、传输线特性阻抗、负载阻抗三者都相等)时,负载能够完全吸收传输线送来的所有能量,反射系数为0,没有信号被反射回去,才能准确测量传输线的传输特性。

阻抗匹配连接示意图
继电器选通电路
由于要实现四对电缆对的测量,在不增加模块的前提下,切换电路必不可少。考虑到电子开关、数字开关(DG409、DG408及其系列等)集成度过高,在信号衰减测量部分易受干扰,选通时的稳定性受电源拨动较大,我们使用继电器阵列来实现切换。
购买方面,选质量好一点的继电器,我们的继电器在学校周边的电子商城购买,就出现过继电器质量问题导致的阻抗测量极不稳定的问题,换了继电器问题得以解决
七、程序流程图
读取片内寄存器,获取到寄存器中实部、虚部以及相位角、阻抗幅度信息。调用complex库将读取到的实部虚部合并成复数,同时将串并电阻也转换成复数方便后续计算。利用寄存器中阻抗及相位角信息,计算出待测电阻的实阻抗与虚阻抗。利用实阻抗计算出待测电阻的直流电阻值,使用标准电阻校准计算所得阻值与实际阻值之间的误差。
实际计算中,每对网线通过继电器切换;通过串并联关系,计算出网线的直流电阻值,这一测量结果也用来测量短路位置。
而虚部通过同样的方法,可得到待测电阻的虚阻抗,可反映线缆的电感、电容特性。在使用标准电容标定系统放大系数后,便可测量出网线的电容。标定环节测算出单位长度网线的容值,实际测量时通过测算实际电容来反推线缆长度。至此实现AD5933的全部测量功能。

八、测试结果

双端测试数据记录表

单端测试数据记录表
测试结果表明,双端测量的情况下,测得阻值与实际阻值相差较小,测量精度误差小于10%,且交流衰减、线缆类型、线对连接关系均判断正确;而在单端测量下,UTP线缆的长度测量精度高于SFTP,这一现象为校准时SFTP使用1m线缆,校准后单位长度参数误差较大,而UTP线缆长度为50m,校准后单位长度参数的误差较小。
九、实物展示
十、注意事项
1.继电器在使用前一定要进行测试稳定性,避免触点接触不良
2.30MHz的测量一定一定要做好阻抗匹配,否则什么也测量不出来
3.检波部分、DDS部分的地线一定要处理好,30MHz属于高频信号,极容易辐射出去干扰测量。建议使用双绞线进行耦合。
十一、演示视频
已上传B站,链接如下
【2025-D题国一-简易以太网双绞线测试仪-哔哩哔哩】 https://b23.tv/c0e1A32
设计图
未生成预览图,请在编辑器重新保存一次BOM
暂无BOM
克隆工程知识产权声明&复刻说明
本项目为开源硬件项目,其相关的知识产权归创作者所有。创作者在本平台上传该硬件项目仅供平台用户用于学习交流及研究,不包括任何商业性使用,请勿用于商业售卖或其他盈利性的用途;如您认为本项目涉嫌侵犯了您的相关权益,请点击上方“侵权投诉”按钮,我们将按照嘉立创《侵权投诉与申诉规则》进行处理。
请在进行项目复刻时自行验证电路的可行性,并自行辨别该项目是否对您适用。您对复刻项目的任何后果负责,无论何种情况,本平台将不对您在复刻项目时,遇到的任何因开源项目电路设计问题所导致的直接、间接等损害负责。



评论