
标准版
STLINK
786
0
0
1
简介
stlinkv2,v2.1,daplink通用
简介:stlinkv2,v2.1,daplink通用开源协议
:CC BY-NC-SA 3.0
创建时间:2023-11-01 21:23:51更新时间:2024-07-09 09:18:09
描述
stlinkv2,v2.1,daplink通用
已打板验证

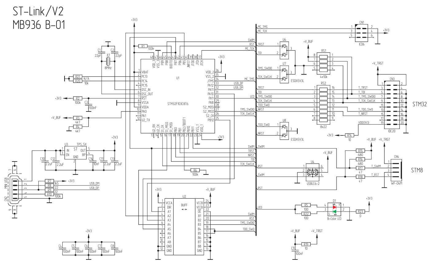
基于stlink_v2原理图设计
stlink_v2使用stm32f103c8t6
stlinkv2.1,daplink使用stm32f103cbt6
daplink可以用apm32f103cbt6(已测试)
daplink固件编译教程:
daplink源码:
https://github.com/ARMmbed/DAPLink
设计图
未生成预览图,请在编辑器重新保存一次BOM
暂无BOM
克隆工程添加到专辑
0
0
分享
侵权投诉
知识产权声明&复刻说明
本项目为开源硬件项目,其相关的知识产权归创作者所有。创作者在本平台上传该硬件项目仅供平台用户用于学习交流及研究,不包括任何商业性使用,请勿用于商业售卖或其他盈利性的用途;如您认为本项目涉嫌侵犯了您的相关权益,请点击上方“侵权投诉”按钮,我们将按照嘉立创《侵权投诉与申诉规则》进行处理。
请在进行项目复刻时自行验证电路的可行性,并自行辨别该项目是否对您适用。您对复刻项目的任何后果负责,无论何种情况,本平台将不对您在复刻项目时,遇到的任何因开源项目电路设计问题所导致的直接、间接等损害负责。


评论