
专业版
IP6536-AA-15W 车充放电
1.6k
0
0
1
简介
8~32V输入,车充放电芯片,5V 3.1A A口输出(最大输出总电流3.1A)
简介:8~32V输入,车充放电芯片,5V 3.1A A口输出(最大输出总电流3.1A)开源协议
:GPL 3.0
创建时间:2024-02-23 15:33:38更新时间:2024-02-23 17:18:10
描述
功能说明
8~32V输入,车充放电芯片,5V 3.1A A口输出(最大输出总电流3.1A)
|
输入电压 |
8~32V。40V Max。 |
|
输出端口 |
USB-A、USB-A |
|
输出功率 |
5V 3.1A |
|
开关频率 |
150KHz |
|
静态功耗 |
5mA |
|
芯片过温 |
内置过温保护,150℃ |
|
输入电压 |
输入电流 |
输出电压 |
输出电流 |
电源功率 |
电源效率 |
|
12.01V |
0.459A |
5.104V |
1.000A |
5.5W |
92.56% |
|
11.92V |
0.959A |
5.096V |
2.000A |
11.4W |
89.13% |
|
11.90V |
1.562A |
5.352V |
3.000A |
18.6W |
86.33% |
|
24.01V |
0.233A |
5.104V |
1.000A |
5.60W |
91.24% |
|
23.97V |
0.478A |
5.094V |
2.000A |
11.46W |
88.92% |
|
23.95V |
0.775A |
5.349V |
3.000A |
18.56W |
86.46% |
工作温度


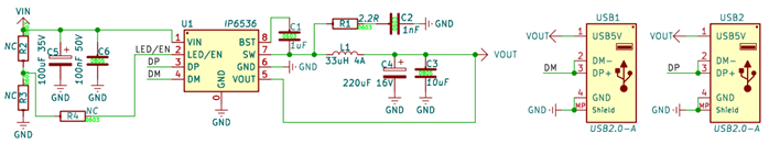
原理图

PCB Layout图


PCB 3D预览图


PCB实物图


资料下载
https://oshwhub.com/saber.lily?tab=project&page=1
其它格式的设计文件,请通过您的供应商获取
设计图
未生成预览图,请在编辑器重新保存一次BOM
暂无BOM
克隆工程添加到专辑
0
0
分享
侵权投诉
知识产权声明&复刻说明
本项目为开源硬件项目,其相关的知识产权归创作者所有。创作者在本平台上传该硬件项目仅供平台用户用于学习交流及研究,不包括任何商业性使用,请勿用于商业售卖或其他盈利性的用途;如您认为本项目涉嫌侵犯了您的相关权益,请点击上方“侵权投诉”按钮,我们将按照嘉立创《侵权投诉与申诉规则》进行处理。
请在进行项目复刻时自行验证电路的可行性,并自行辨别该项目是否对您适用。您对复刻项目的任何后果负责,无论何种情况,本平台将不对您在复刻项目时,遇到的任何因开源项目电路设计问题所导致的直接、间接等损害负责。


评论