
专业版
牧田款5串电池包,带 60W USB 快充,支持同口充放电
2.0k
0
0
6
简介
牧田款5串电池包,带 60W USB 快充,支持同口充放电
简介:牧田款5串电池包,带 60W USB 快充,支持同口充放电开源协议
:GPL 3.0
(未经作者授权,禁止转载)创建时间:2024-03-07 20:01:46更新时间:2024-03-08 11:34:57
描述
方案重要说明
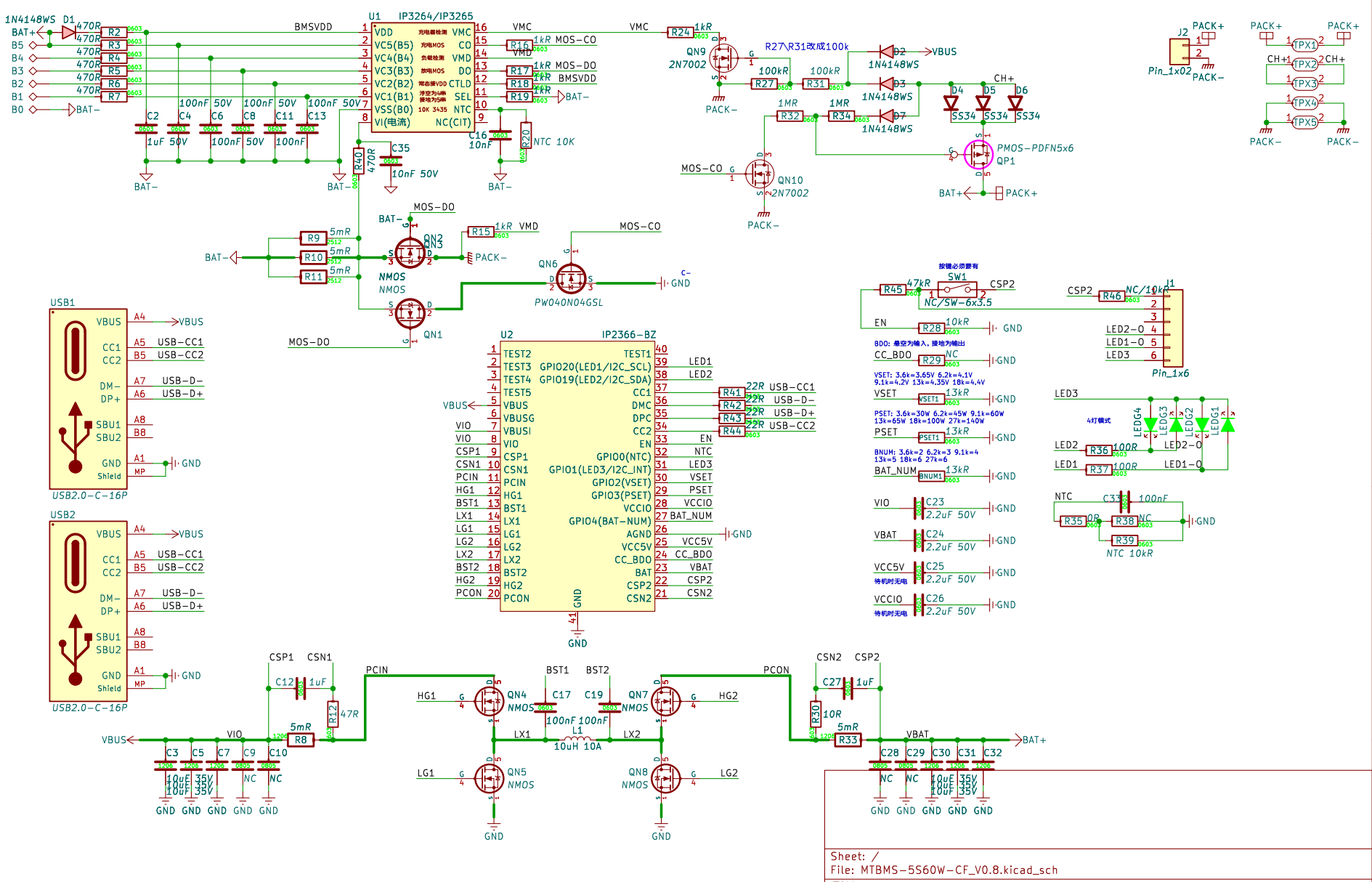
1. IP2366是一颗140W的充电芯片。但是,此140W的含义是,最高支持140W的快充协议。具体充电功率,将由外部的升降压MOS、电感的用料、布局决定。功率不同,电路成本不同。
2. IP2366所搭配的MOS,不能轻易更换。本方案启用60W最大充电功率,仅在加散热片的情况下可以稳定通过高温测试。因此,不加散热片的应用,将降一档限制在45W,以避免产品出现风险。一款MOS的成熟导入,需要谨慎进行温度测试、小批板子的负载测试后方能判断,测试周期较长。

参考电路

PCB Layout图

PCB 3D预览图

PCB实物图

资料下载
https://oshwhub.com/saber.lily
其它格式的设计文件,请通过您的供应商获取
设计图
未生成预览图,请在编辑器重新保存一次BOM
暂无BOM
克隆工程添加到专辑
0
0
分享
侵权投诉
知识产权声明&复刻说明
本项目为开源硬件项目,其相关的知识产权归创作者所有。创作者在本平台上传该硬件项目仅供平台用户用于学习交流及研究,不包括任何商业性使用,请勿用于商业售卖或其他盈利性的用途;如您认为本项目涉嫌侵犯了您的相关权益,请点击上方“侵权投诉”按钮,我们将按照嘉立创《侵权投诉与申诉规则》进行处理。
请在进行项目复刻时自行验证电路的可行性,并自行辨别该项目是否对您适用。您对复刻项目的任何后果负责,无论何种情况,本平台将不对您在复刻项目时,遇到的任何因开源项目电路设计问题所导致的直接、间接等损害负责。


评论