
标准版
键盘人偶系统-Laser310电脑键盘仿真控制器
3.7k
0
0
1
简介
使用这一个模组,模拟键盘的输入,从而实现对早期电脑的间接控制。
简介:使用这一个模组,模拟键盘的输入,从而实现对早期电脑的间接控制。开源协议
:GPL 3.0
创建时间:2021-05-23 17:43:41更新时间:2022-04-11 13:35:40
描述
最先时候,本来计划是用于Laser310,实现的方法就是使用这样的一套设计,能够让引脚之间实现无电磁感应的电子开关。
这样就可以实现模拟键盘的输入,并且理论上来说没有任何的风险。
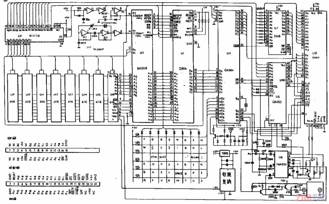
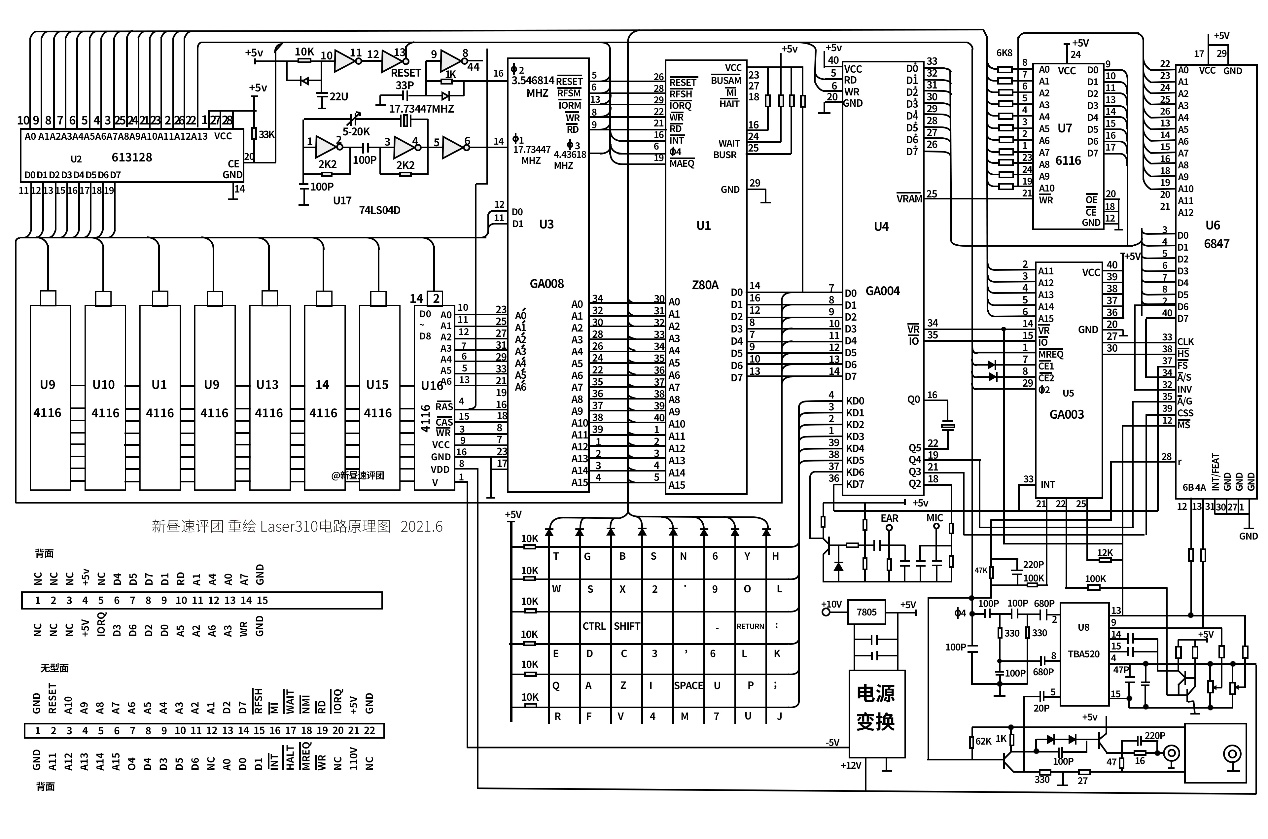
它的原理图如下(原版和新版)


可以看到,键盘部分是8*6的一套引脚。所以我也通过CD4066以及CH423S的组合实现了这样的的一个只需要4个引脚就能控制40+个引脚,很好的控制线路开关的设计。
但是需要注意的是,CD4066这个东西有70欧姆的内阻,不高不低,但依然有可能会对信号造成干扰,这也是最终没能成功的在Laser310上应用的缘故。
设计图
未生成预览图,请在编辑器重新保存一次BOM
暂无BOM
克隆工程添加到专辑
0
0
分享
侵权投诉
工程成员
知识产权声明&复刻说明
本项目为开源硬件项目,其相关的知识产权归创作者所有。创作者在本平台上传该硬件项目仅供平台用户用于学习交流及研究,不包括任何商业性使用,请勿用于商业售卖或其他盈利性的用途;如您认为本项目涉嫌侵犯了您的相关权益,请点击上方“侵权投诉”按钮,我们将按照嘉立创《侵权投诉与申诉规则》进行处理。
请在进行项目复刻时自行验证电路的可行性,并自行辨别该项目是否对您适用。您对复刻项目的任何后果负责,无论何种情况,本平台将不对您在复刻项目时,遇到的任何因开源项目电路设计问题所导致的直接、间接等损害负责。


评论