
数控电子负载50V 10A
简介
小体积的数控电子负载,额定功率100W,最大输入电压50V,最大输入电流10A
简介:小体积的数控电子负载,额定功率100W,最大输入电压50V,最大输入电流10A开源协议
:GPL 3.0
(未经作者授权,禁止转载)描述
一、模块简介
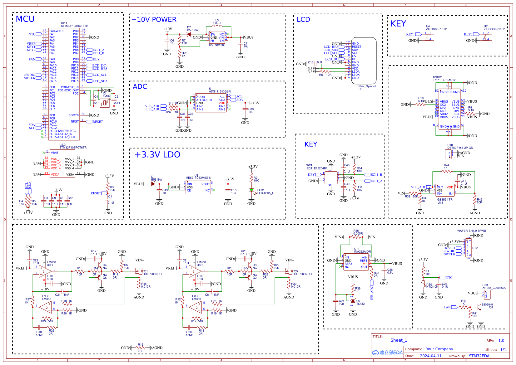
基于STM32和恒流电路设计的小功率数控电子负载
二、应用场景
- 实验调试使用
- 其他电源测试使用
三、模块概述
- 模块DL5015-100-GPL
- 该模块以STM32作为主控芯片
- 双MOS管可以在更大程度上增加功率,同时降低单MOS管的温度
- 模块供电接口输入接口为TYPE-C接口,仅支持5V供电
- 输出接口使用9.5mm栅栏式接线端子
- 此模块仅有恒流功能
四、模块参数
- 最大输入电压:50V
- 最大输入电流:0-10A
- 带1个编码器
- 1.47寸LCD屏幕(分辨率320*172)
- 散热片使用50*50*100铝合金型材散热片,非定制品,可直接在某宝购买
- 风扇使用5020风扇,电压5V
五、使用说明
- 使用充电器用USB数据线接入模块的TYPE-C端子进行供电
- 首次上电之后应使用万用表测试恒流值是否达到设置值,如果没有达到设置值,请勿接入电源
六、注意事项及备注
- 注意事项:长时间工作建议在5A内的电流使用(需要注意温升情况)
- 铝合金型材散热器与MOS管D极相连,需注意散热器表面带电问题
- 请勿私自变更此模块中所使用的物料,因私自变更物料导致的模块不工作或无法正常运行的,一律不提供技术支持
- 此项目仅供DIY和学习使用,禁止用于任何形式的商业用途,或以商业用途的其他形式开发
- 为避免后续的问题,此项目程序文件不提供,仅提供hex固件
- 未经作者授权,禁止转载
七、版本更新
- 软件V1.0,首次发行,因硬件电路温漂的问题,存在有非常明显的电流精度差的问题,此问题不能通过校准解决
- 硬件存在的问题,由于高端采样会导致存在有严重的温漂问题,暂时无法解决

PCB正面

PCB背面

2个功率MOS管需要加入散热硅脂进行散热,中间位置加入了一个厚导热硅脂垫用于将热量传导至NTC电阻,用于温度检测更准确

模块整体外观

型材铝散热片需要使用2.5mm钻头打多个孔并使用M3丝锥进行攻丝,用于固定MOS管和PCB

型材铝散热片侧面,这种型材铝散热片有较大的铝鳍片面积,在一定程度上应该有更高的散热能力

模块供电使用2路电源,+3.3V为单片机和ADC等元件提供电源,+10V为运放和MOS驱动等电路提供电源

恒流电路使用运放搭建的恒流电路,运放的2路放大器1路用作采样电阻的电流放大,1路用作恒流
采样电阻的电流会被运放放大52倍,功率部分的模拟地需要与模块的功能地连接到一起,这里使用的是0Ω电阻
硬件变更,U9由于性能参数不满足要求,需变更为SGM8272,由于电流会出现振荡,需在功率输入接线端子处焊接一个1uF CBB电容

关于MOS管型号的选用,对电子负载应用而言,MOS全程工作在线性区,一般来说不要求MOS管的内阻足够低,主要看上面这各参数
这里选用的MOS管型号为英飞凌的IRFP260N,但此Datasheet中没有DC曲线,所以暂时以10ms曲线来看
在10-50V这个电压区间,MOS管都可以达到10A,当然前提是散热满足要求

输入的电流检测使用的是Ti的INA282,此芯片属于高端检流,最大能承受+80V的共模电压
此应用中基准电压使用的是分离电源输出的接法,将REF2连接至一个+1.25V基准电压源,在电流为0的时候输出建立一个+1.25V的偏置电压,可以在一定程度上消除因高共模电压和输入失调电压引起的输出电流不为零的问题

在软件调试的过程中发现了另一个问题,当功率部分输入端悬空的时候,ADS1115通道0会采集到错误的数据,并且来回跳变,多次调整软件无法解决
推测可能是因为模拟地和功能地不是同一个地导致的差模干扰,搭建了一个差分电压检测电路,此问题得到了解决
此运算放大器应尽量选用低Offset Voltage的精密运放,以增加电压采集的精度

温度测试数据,在100W负载的情况下,2个MOS管的温度均已超过100°C,长时间运行建议在不超过100W功率下使用
设计图
未生成预览图,请在编辑器重新保存一次BOM
暂无BOM
克隆工程工程成员
知识产权声明&复刻说明
本项目为开源硬件项目,其相关的知识产权归创作者所有。创作者在本平台上传该硬件项目仅供平台用户用于学习交流及研究,不包括任何商业性使用,请勿用于商业售卖或其他盈利性的用途;如您认为本项目涉嫌侵犯了您的相关权益,请点击上方“侵权投诉”按钮,我们将按照嘉立创《侵权投诉与申诉规则》进行处理。
请在进行项目复刻时自行验证电路的可行性,并自行辨别该项目是否对您适用。您对复刻项目的任何后果负责,无论何种情况,本平台将不对您在复刻项目时,遇到的任何因开源项目电路设计问题所导致的直接、间接等损害负责。


评论