
标准版
LT4320-理想二极管整流桥
603
0
0
0
简介
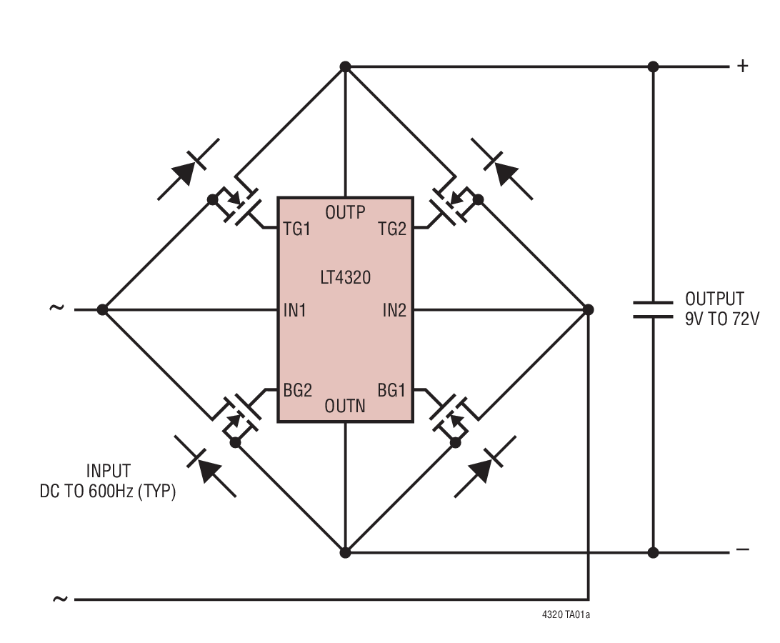
LT4320是理想二极管桥控制器,可驱动 4 个 N 沟道 MOSFET,支持从 DC 至 600Hz (典型值) 的电压整流。
简介: LT4320是理想二极管桥控制器,可驱动 4 个 N 沟道 MOSFET,支持从 DC 至 600Hz (典型值) 的电压整流。开源协议
:GPL 3.0
创建时间:2023-07-10 21:27:11更新时间:2025-10-24 11:13:58
描述
开窗镀锡,高效率大电流整流器,电流10A以上,并联4个低压降二极管,无芯片时仍可作为二极管整流桥使用



设计图
未生成预览图,请在编辑器重新保存一次BOM
暂无BOM
克隆工程添加到专辑
0
0
分享
侵权投诉
工程成员
知识产权声明&复刻说明
本项目为开源硬件项目,其相关的知识产权归创作者所有。创作者在本平台上传该硬件项目仅供平台用户用于学习交流及研究,不包括任何商业性使用,请勿用于商业售卖或其他盈利性的用途;如您认为本项目涉嫌侵犯了您的相关权益,请点击上方“侵权投诉”按钮,我们将按照嘉立创《侵权投诉与申诉规则》进行处理。
请在进行项目复刻时自行验证电路的可行性,并自行辨别该项目是否对您适用。您对复刻项目的任何后果负责,无论何种情况,本平台将不对您在复刻项目时,遇到的任何因开源项目电路设计问题所导致的直接、间接等损害负责。


评论