
简易散热风扇控制板
简介
利用闲置的散热风扇,画了一款简易散热风扇控制板,支持12V和5V电源输入,支持风扇5-9cm的散热尺寸,可以当作散热风扇或焊锡排烟小风扇使用
简介:利用闲置的散热风扇,画了一款简易散热风扇控制板,支持12V和5V电源输入,支持风扇5-9cm的散热尺寸,可以当作散热风扇或焊锡排烟小风扇使用开源协议
:GPL 3.0
(未经作者授权,禁止转载)描述
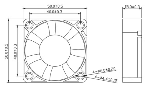
一款简易散热风扇控制板,支持DC 12V/5V输入,支持5-9cm散热风扇(建议最大使用8cm的风扇,9cm的风在组装时可能会有尺寸干涉),可以当作散热风扇或焊锡排烟小风扇使用.





关于风扇尺寸:建议选择适中的尺寸,小尺寸的风扇吹出的风可能不大;
关于外壳:其实可以不要,使用彩色丝印版本的裸风扇,看起来也不错;
关于组装:1、风扇与PCB之间的固定可以使用M3-M4的螺丝与螺母进行固定(我这边使用的是之前购买鹿仙子加热板附带的固定螺丝配件组装的);
2、外壳的固定使用的时M4的螺丝进行固定;
3、关于焊锡排烟风扇的过滤棉,可以放置在外壳与PCB之间,即按照:前壳-过滤棉-PCB-风扇-PCB-后壳的方式。如果不制作外壳的话,也可以在风扇组装时,在前面增加一块PCB,即组装方式为PCB-过滤棉-PCB-风扇-PCB的方式。
设计图
未生成预览图,请在编辑器重新保存一次BOM
暂无BOM
克隆工程工程成员
知识产权声明&复刻说明
本项目为开源硬件项目,其相关的知识产权归创作者所有。创作者在本平台上传该硬件项目仅供平台用户用于学习交流及研究,不包括任何商业性使用,请勿用于商业售卖或其他盈利性的用途;如您认为本项目涉嫌侵犯了您的相关权益,请点击上方“侵权投诉”按钮,我们将按照嘉立创《侵权投诉与申诉规则》进行处理。
请在进行项目复刻时自行验证电路的可行性,并自行辨别该项目是否对您适用。您对复刻项目的任何后果负责,无论何种情况,本平台将不对您在复刻项目时,遇到的任何因开源项目电路设计问题所导致的直接、间接等损害负责。


评论